logo elektroda
logo elektroda
X
logo elektroda
REKLAMA
REKLAMA
Adblock/uBlockOrigin/AdGuard mogą powodować znikanie niektórych postów z powodu nowej reguły.

Sygnalizator zajętej linii telefonicznej

zasoby 13 Kwi 2006 13:11 2912 3
REKLAMA
  • O autorze
    zasoby
    Poziom 23  
    Offline 
    zasoby napisał 784 postów o ocenie 432, pomógł 4 razy. Jest z nami od 2002 roku.
  • REKLAMA
  • REKLAMA
  • #3 2581268
    yokoon
    Poziom 29  
    gulson napisał:
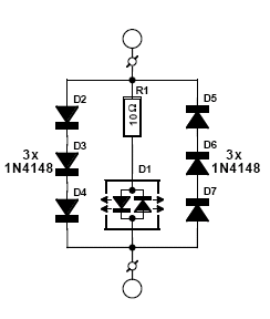
    tutaj rozwiązanie pasywne - napięcie dla diod pobierane jest z linii telefonicznej


    Napiecie w linii wynosi 60 V, jak zniosą to diody ?
  • #4 2585151
    KaW
    Poziom 34  
    teleokupaqcja polska sie rozplacze


    pozdrawiam

    Dodano po 11 [minuty]:

    trzeba wiedziec ,ze od paru lat -zgineely wszyskie dostepne energie jakie mozna pobrac z lini telefonicznej i tak -na moje oko:

    -sygnalu zgloszenia dlugo sie nie poslucha
    -pradu z zasilania CA tez sie nie wezmie
    -napiecie pracy w liniach telefonicznych moze byc juz ok. 27V
    /malo kto wie ile lini jest uwielokrotnionych /

    -oznacza to ,ze trudno bedzie cos majstrowac przy lini telefonicznej

    -dawno temu linia, ktora cos tam sie zmieniala w parametrach -ladowala na biurku dyzurnego-teraz pewnie laduje jako przedmiot do najblizszego cyklu pomiarowego... automatycznego .....






















    ;
REKLAMA