Witam! Nie wiem czy w dobrej kategorii zamieszczam to pytanie...
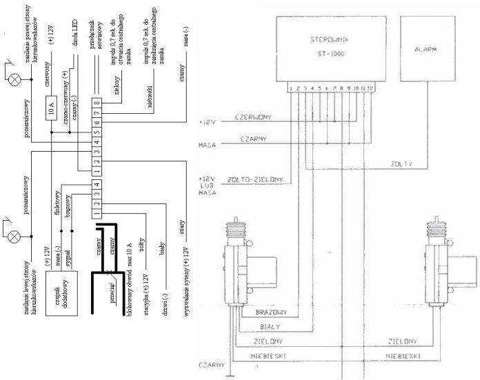
Problem polega na tym, że z alarmu wychodzą 2 kable (zielony, niebieski) Podejrzewam, że do centralki, a z centralki 1 kabel do alarmu... Jak to niby podłączyć, aby działało otwieranie i zamykanie? Alarm to EXODUS 3przyciski na pilocie a centrala ST 1000 Schematy są poniżej
Z góry dziękuje i Pozdrawiam!
Problem polega na tym, że z alarmu wychodzą 2 kable (zielony, niebieski) Podejrzewam, że do centralki, a z centralki 1 kabel do alarmu... Jak to niby podłączyć, aby działało otwieranie i zamykanie? Alarm to EXODUS 3przyciski na pilocie a centrala ST 1000 Schematy są poniżej
Z góry dziękuje i Pozdrawiam!
