logo elektroda
logo elektroda
X
logo elektroda
REKLAMA
REKLAMA
Adblock/uBlockOrigin/AdGuard mogą powodować znikanie niektórych postów z powodu nowej reguły.

tesla arn226-05/8 kilka pytań

Kiełbasa 01 Maj 2006 14:13 1428 8
REKLAMA
  • #1 2580276
    Kiełbasa
    Poziom 13  
    z czego te głośniki mają membranę i jakie mają zawieszenie(to znaczy z czego jest wykonane i czy jest miękkie).
  • REKLAMA
  • #2 2580994
    Armosus
    Poziom 26  
    Wystarzczy spojrzec na zdjecie. Membrana jest z celulozy a zawieszenie jest miekkie i jest z gumy.
  • REKLAMA
  • #3 2582606
    adamlen1
    Poziom 16  
    Jest dość dobre zawieszenie gumowe i miekie, ładnie chodzi. Do kolumn domowych jest całkiem niezłe, mięki przyjemny dźwięk. Zbudowałem na takim głośniku suba, tylko 4 omowym. Całkiem fajnie, choć na suba lepszy jest STX. Pozdro
  • REKLAMA
  • #4 2583449
    Eliminator
    Poziom 24  
    Tesla 226 . Miekie gumowe i przyjemny bass, w sam raz do domu no i jescze jakosc :)
  • #5 2594899
    Kiełbasa
    Poziom 13  
    żeby nie tworzyć nowego tematu to prosiłbym o przeniesienie tego tematu do działu co i gdzie kupic.
    Jeszcze jedno pytanie czy można kupić tesle w Rzeszowie lub gdzie indziej na podkarpaciu
  • #6 2777231
    Kiełbasa
    Poziom 13  
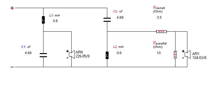
    już kupiłem te głośniki i jestem zadowolony tylko jeszcze kupię wysokotonówkę arv 104-04/8. mam jeszcze pytanie w sprawie schematu zwrotnicy, który załączam i czy jest ona dobra?
  • REKLAMA
  • #8 2780360
    Kiełbasa
    Poziom 13  
    mi się wydaje, że tą arv'kę 104 nie tnie się tak nisko, no może jak się ma 18 db na okt.
  • #9 2797957
    Caleb_
    Poziom 33  
    ta zwrotka ktora podalem jest na pewno lepsza od twojej, wyliczanej kalkulatorem - nic dobrego z tego nie bedzie.
REKLAMA