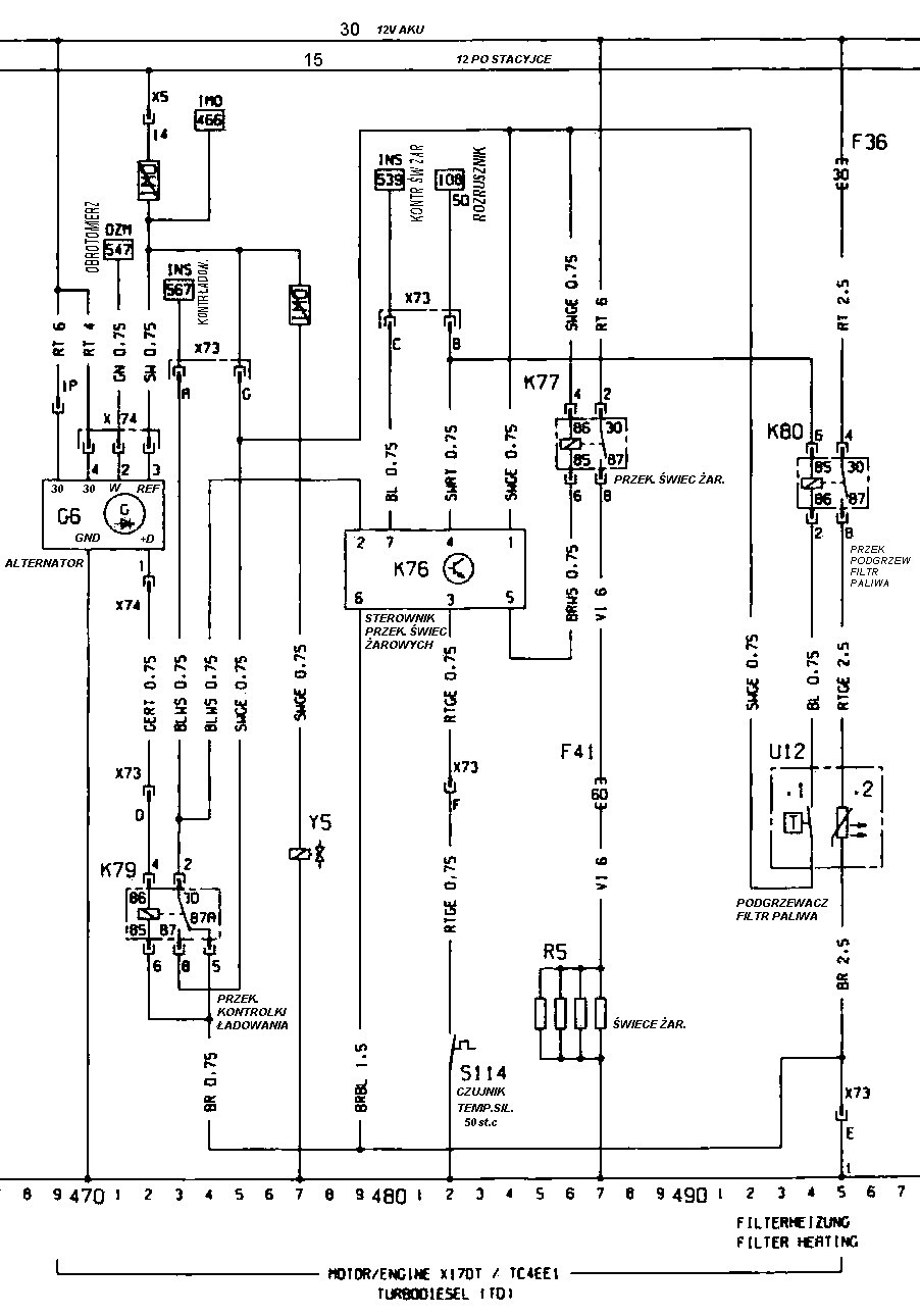
Witam mam problem potrzebuje Schemat: Układu ładowania Opel Atra 1.7 TD ISUZU 1993r jeśli ktoś ma coś takiego prosze mi podac link strony lub przesłac na mojego emaila p.a.t.r.y.k(_at_)wp.pl

Czy wolisz polską wersję strony elektroda?
Nie, dziękuję Przekieruj mnie tam