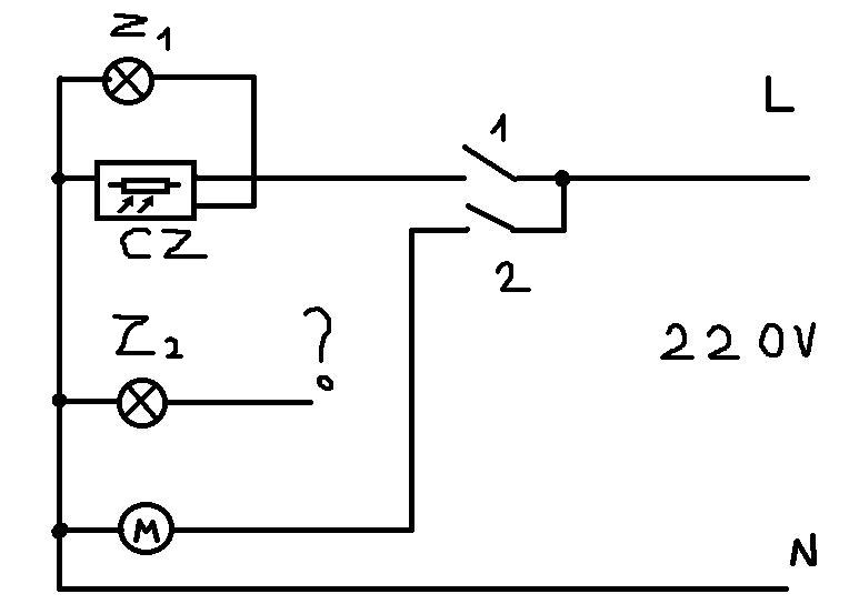
Witam, mam nie wielki problem. Chcę podłączyć odbiornik Z2 (schemat) w taki sposób aby załączał się tylko wtedy gdy załączony jest klawisz 2 włącznika ale również zależnie od czujnika zmierzchowego. Jak radzicie rozwiązać ten problem. Przekaźnik czy triak. Ze względu na późniejszy dostęp założenie jest takie że ma być jak najmniejsze i najmniej awaryjne gdyż będzie zamontowane w puszcze ściennej. Przekaźnik w zasadzie rozwiązuje sprawę bo prąd na styku bedzie około 2A. Ale w końcu kiedyś go trafi. A triak chyba pochodzi dłużej. No i czy dawać MOCa żeby było w zerze czy wyluzować? Pozdrawiam.

