logo elektroda
logo elektroda
X
logo elektroda
REKLAMA
REKLAMA
Adblock/uBlockOrigin/AdGuard mogą powodować znikanie niektórych postów z powodu nowej reguły.

Analogowa pamięć pomiaru

zasoby 10 Lip 2006 13:10 1311 0
REKLAMA
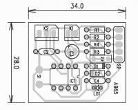
  • Układ przyda się do pomiaru krótko trwających napięć. Pozwala on na tymczasowe przechowanie wartości napięcia celem wykonania pomiaru przez zwykły miernik cyfrowy. Na wejściu znajduje się dzielnik napięcia, podział wejściowego napięcia następuje w stosunku 1:1 1:10, 1:100, wyboru dokonujemy za pomocą S2. Za pomocą S1 wykonujemy reset. Układ zasilany jest napięciem 9V.

    Fajne? Ranking DIY
    O autorze
    zasoby
    Poziom 23  
    Offline 
    zasoby napisał 784 postów o ocenie 432, pomógł 4 razy. Jest z nami od 2002 roku.
  • REKLAMA
REKLAMA