logo elektroda
logo elektroda
X
logo elektroda
REKLAMA
REKLAMA
Adblock/uBlockOrigin/AdGuard mogą powodować znikanie niektórych postów z powodu nowej reguły.

Detektor zawartości ścian

zasoby 23 Lip 2006 13:32 3701 3
REKLAMA
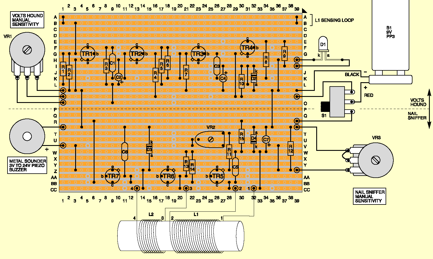
  • Całość składa się z dwóch układów: detektora napięcia a.c. oraz detektora metali. Pierwszy układ pozwala na wykrywanie przewodów w ścianach znajdujących się pod napięciem przemiennym. Drugi pozwala na wykrycie przewodów nie znajdującymi się pod napięciem/rur wszystkiego co metalowego co może znajdować się w ścianie.

    Detektor napięcia a.c.
    Regulacji czułości dokonujemy za pomocą VR1. Czujnikiem L1 jest po prostu długa ścieżka na płytce uniwersalnej (2x38 padów)

    Detektor metalu
    Regulacji czułości dokonujemy za pomocą VR2 i VR3. Czujnikiem są dwie cewki L1 i L2. Cewka L1 posiada 80 zwojów, cewka L2 40 zwojów. Nawinięte zostały drutem o średnicy 0,35mm blisko siebie na pręcie ferrytowym o średnicy 10mm i długości 75mm

    Całość zasilana z 9V baterii

    Fajne? Ranking DIY
    O autorze
    zasoby
    Poziom 23  
    Offline 
    zasoby napisał 784 postów o ocenie 432, pomógł 4 razy. Jest z nami od 2002 roku.
  • REKLAMA
  • #2 2844265
    adamjur1
    Poziom 41  
    Witam
    Z całym szcunkiem dla zasług autora na forum ale
    pod tematem Detektor zawartości ścian spodziewałem się czegoś więcej niż wykrywacza metalu i obecności napięcia ( takie gagety można kupić za parę złotych) Pod taką nazwą widziałem urzadzenie rysujące 9 na ekranie monitora) zawartość sciany z uwzglednieniem wszelkich anomalii w ich strukturze - rury metalowe, pcv, wszelkie przewody łącznie ze światłowodami, puste przesztrzenie, drewno, puszki montażowe itd.
    Urządzenie miała w ofrcie chyba firma Hilti ( kosztowało ok 100 000 zł) i reklamowane było jako pomocne dla monterów.......:D
    Pozdr.J.
    ps od 25 lat zajmuję się instalacjami w nowych i działających budynkach...
  • REKLAMA
  • #3 2844808
    Konto nie istnieje
    Konto nie istnieje  
  • #4 2845750
    ja_dzik
    Poziom 18  
    Oj mamama, wiele rzeczy opłaci się kupić gotowe no i jest o wiele prościej, ale urok na tym polega że się samemu cos buduje a potem się to wykorzystuje w praktyce mimo ze taniej i prościej jest kupić gotowe.
REKLAMA