logo elektroda
logo elektroda
X
logo elektroda
REKLAMA
REKLAMA
Adblock/uBlockOrigin/AdGuard mogą powodować znikanie niektórych postów z powodu nowej reguły.

Jak zrobić dzielnik napięcia

anntek 27 Lip 2006 10:59 3214 3
REKLAMA
  • #1 2855224
    anntek
    Poziom 20  
    Witam mam radio kture nie ma wyjścia na wzmaka a chce go podlaczyć i szlyszałem ze musze zrobić obie dzielnik napiecia??? Proze o pomoc bo nei wiem jak to rykonać
  • REKLAMA
  • #2 2855375
    fuutro
    Poziom 43  
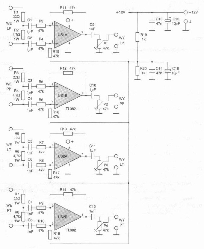
    Tego jest już troche na elektrodzie. Dzielnik napięcia to po prostu dwa rezystory połączone w szereg. Jeden z końców tego szeregu potraktuj jako wspólny (masę) a drugi włącz do wyjścia wzmaka jakiego chcesz użyć. W punkcie w którym połączyłeś rezystory masz wyjście z osłąbionym już sygnałem. Załóżmy, że rezystor włączony do wyjścia wzmaka z którego czerpiesz sygnał to R1 a rezystor połączony z masą to R2. Sygnał wyjściowy z dzielnika ma wartość: Uwy=(R2/(R1+R2))*Uwe. Za R1 możesz dać 22 om/1W a za R2 4,7 om/1W
  • REKLAMA
  • #3 2855487
    anntek
    Poziom 20  
    Obliczenia kumam a jaki rysunek moze bo nie kumam do konca jezeli mam w radiu wyjcie 4x45W to biore np jednen kana w ktorym mam +- i jeden reztor (R2) i wlutowuje go pomiedzy + a - tego kanału zaś kolejny rezytor (R1) wlutowuje na kablu + z tego kanału i przylutowuje go do gniazda ciczne do bolca ktory jest w rodku tak ??? A co z minuse mam go tez przylutować do czincze jako mase???
REKLAMA