#1 2903883 10 Sie 2006 22:38 krzysztof1981golf krzysztof1981golf Poziom 1 #1 2903883 10 Sie 2006 22:38 witam. potrzebny jest mi schemat podłączenia elektrycznych lusterek w golfie III
#2 2990148 05 Wrz 2006 19:13 hefid hefid Spoczywaj w Pokoju Pozytywne oceny Pomocny post? (+7) #2 2990148 05 Wrz 2006 19:13 Przeniosłem z: Schematu/instrukcji...
#3 3053954 25 Wrz 2006 00:02 Dyzio 1 Dyzio 1 Poziom 18 Pomocny post? (0) #3 3053954 25 Wrz 2006 00:02 Witam.Poszło na pw.
#4 3771260 09 Kwi 2007 23:54 domelfm domelfm Poziom 16 Pomocny post? (+1) #4 3771260 09 Kwi 2007 23:54 poproszę równiez ten shemacik jezeli jest takowa opcja. Promuję tematy: 29.07.2004 Podłaczenie dzwonka 220V do linii telefonicznej
#5 3923400 26 Maj 2007 17:28 emmilius emmilius Poziom 2 Pomocny post? (0) #5 3923400 26 Maj 2007 17:28 Dołączam się do kolegów i również proszę o schemat na adres emmilius(_at_)o2.pl z góry bardzo dziękuję...
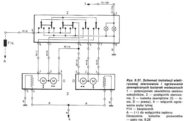
#6 3924124 26 Maj 2007 21:41 goldwinger goldwinger VIP Zasłużony dla elektroda Pomocny post? (+1) #6 3924124 26 Maj 2007 21:41 proszę was bardzo lustereczka dla wszystkich Załączniki: lusterka golf.jpg Download (47 KB)
#7 3936213 30 Maj 2007 16:07 emmilius emmilius Poziom 2 Pomocny post? (0) #7 3936213 30 Maj 2007 16:07 naprawdę wielkiedzięki