logo elektroda
logo elektroda
X
logo elektroda
REKLAMA
REKLAMA
Adblock/uBlockOrigin/AdGuard mogą powodować znikanie niektórych postów z powodu nowej reguły.

Jak podłączyć radio w corsie B (brak kostki)

strusx 19 Paź 2006 14:04 14682 8
REKLAMA
  • #1 3132064
    strusx
    Poziom 14  
    Witam , mam problem z podłączeniem radia w corsie B (99r 1500d) .
    Problem polega na tym że jakiś "kretyn"(poprzedni właściciel autka) wyciął je wraz z kablami i kostkami pozostawiając po centymetrze kabla wystającym z głównej wiązki .
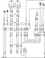
    Zassałem schemat elektryczny z elektrody lecz opisy kolorów są nie czytelne ,nie ma opisu wyprowadzeń kostki H1 .Może ktoś posiada opis okablowania ,kolory kabli i opis wyprowadzeń kostki (montowanej w samochodzie).(corsa C ma inne wyprowadzenia ,zalazłem opis na forum)
  • REKLAMA
  • #2 3132135
    przemo.t
    Poziom 27  
    Tam chyba nie ma tak duzo kabli zeby nie bylo sensu bawic sie miernikiem...
    masa pewnie jest czarny, +12V stale napewno szybko znajdziesz, te po stacyjce takze, glosniki to beda z pewnoscia pary kabli kolor i kolor z paskiem, opor na parze kolo 4 Ohm, nie powinno byc na nich napiecia. Pozostaje jesczcze podswietlanie ktory rownie latwo zidentyfikujesz ;)
    Wiem ze to nie taka odpowiedz jakiej sie spodziewales ale mysle ze dasz rade dojsc.
  • REKLAMA
  • #3 3133036
    Konto nie istnieje
    Konto nie istnieje  
  • REKLAMA
  • #4 3134803
    strusx
    Poziom 14  
    Dzięki za odpowiedzi .."nie ma wcale dużo" tylko 18 kabelków w tym 6do wyświetlacza,1 do czujnika temperatury i jeszcze są połączone w kostce inaczej nie działa poprawnie wyświetlacz . W sumie mogę rozpruć wiązki (dostęp super ) rozkręcić przedni kokpit itd..
    Naprawdę zależy mi na kolorach kabli i oznaczeniu kostki H1 .
  • #5 3134840
    przemo.t
    Poziom 27  
    Skoro tak bardzo chcesz to polecam ;)http://studio24.prv.pl/ dzial KABLOMANIA i po lewej w menu "wyswietlacze i piloty->OPEL. Mam nadzieje ze to to czego szukasz...
  • #6 3134872
    strusx
    Poziom 14  
    Niestety tam szukałem na początku ,kilka dni temu .Są wyprowadzania ale do radia , A nie do kostek w samochodzie .(jadę szukać na szrotach może coś znajdę )
    Dzięki z zainteresowanie ,temat aktualny.
  • REKLAMA
  • #7 3135005
    przemo.t
    Poziom 27  
    Nie czaje, przeciez masz wyglad gniazda, czy wtyczki i kolory kabli od czego sa i gdzie ida!! Przeciez to sa kolory kabli w aucie, w radiu kabli jako takich nie ma!
  • #9 3204731
    strusx
    Poziom 14  
    Dałem rade odnalazłem podobne autko na szrocie kable podobne 90% .
    (W oplach chyba kolory kabli są montowane na chybił trafił)
REKLAMA