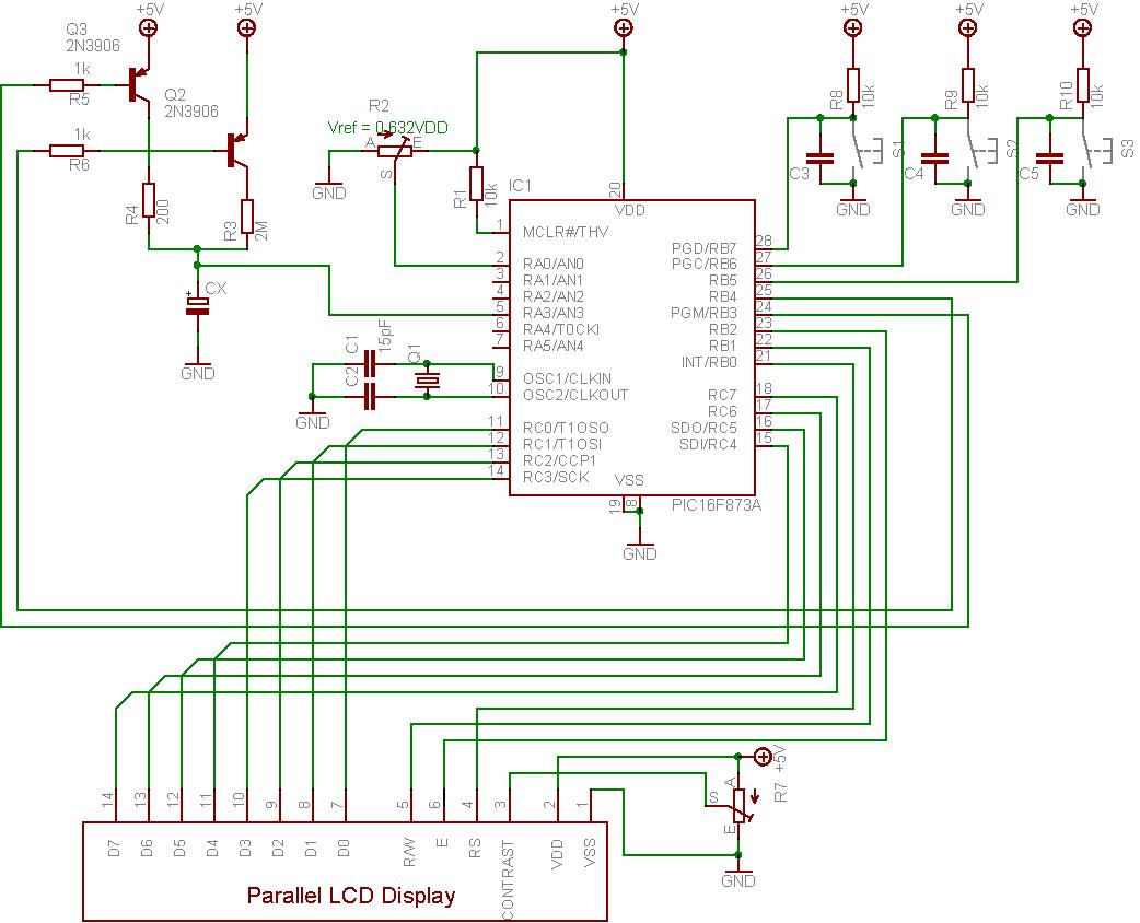
złożyłem układ na szybkiego i o dziwo z marszu odpalił
jednak z tym autorange to mocno naciągane,
bo tak naprawdę są tylko 2 zakresy: od 5pF do 30.000pF z rozdzielczością 5pF Czyli w miarę dokładny pomiar do 30nF, bo 27nF wyświetla w pF a 33nF już w uF. Wskazania dla wartości kondensatorów od 30nF do 1,0uF są beznadziejne, zarówno wartość odczytana jak i rozdzielczość pomiaru ( w zakresie uF wynosi aż 40nF!!!) to kicha

np. przyłożyłem kondek 33nF wynik ukazał się 00000.04uF, dla 47nF zobaczyłem 00000.08uF przy czym jak wspomniałem nie może być wyświetlona inna wartość jak wielokrotność 4, sprawdziłem to w pliku źródłowym, dla zakresu Hi wynik jest mnożony przez 4, czyli dla kondesatorów z zakresu 30nF -100nF możliwe są tylko takie wskazania: .04 .08 .12 .16 itd czyli jak napisałem, mierzymy kondensator 47nF w rozdzielczości 40nF !!!

a takich wartości jak 39nF czy 68nf to nawet teoretycznie na tym mierniku wyświetlić się nie da.
reasumując: rozdzielczość 5pF mierząc 10pF to nie wiem czy to ma sens

ale rozdzielczość 40nF mierząc 47nF to frajerstwo

fajna zabawka do piaskownicy, ale dla elektronika to żaden miernik

aha, żaden ze mnie orzeł, więc może źle go uruchomiłem i się czepiam ?? może ktoś z tym już walczył ??
