logo elektroda
logo elektroda
X
logo elektroda
REKLAMA
REKLAMA
Adblock/uBlockOrigin/AdGuard mogą powodować znikanie niektórych postów z powodu nowej reguły.

zadanie domowe.uklad z stycznikami

gerace 26 Paź 2006 20:57 1191 2
REKLAMA
  • #1 3156607
    gerace
    Uczeń
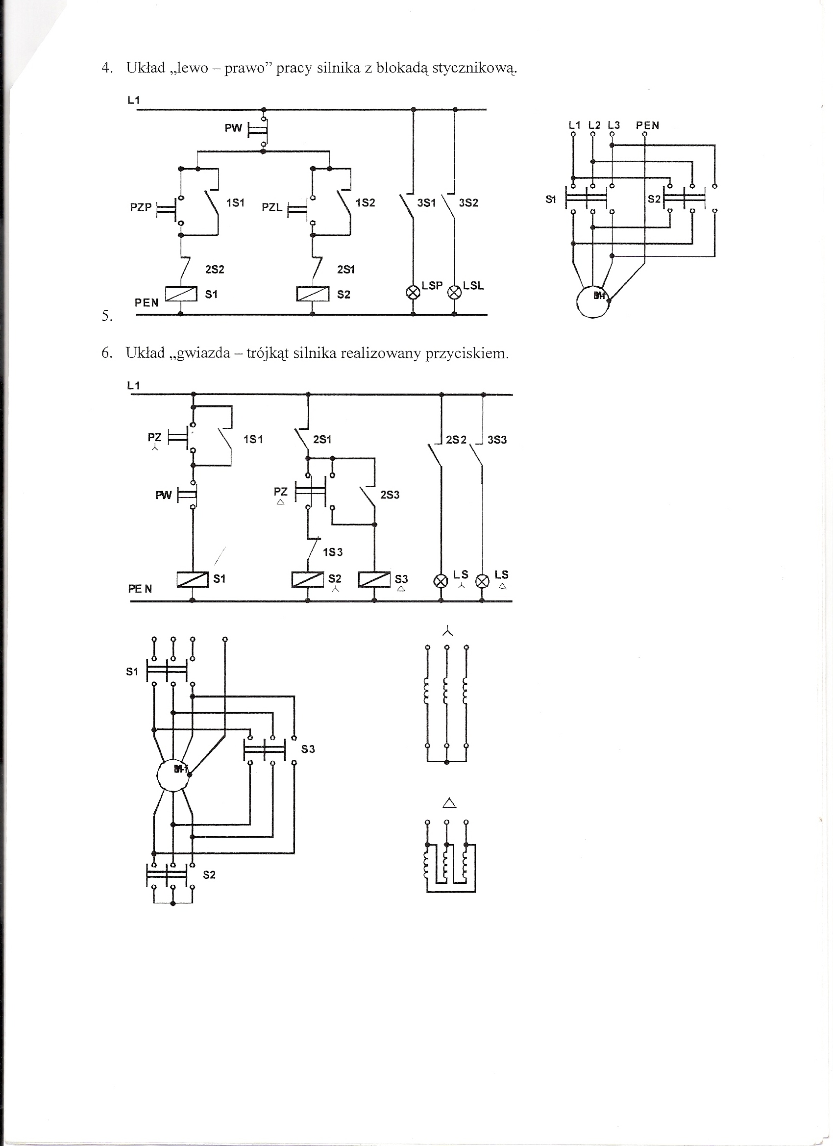
    czesc.noglby mi ktos pomoc w opisaniu 4 ukladow.potrzebuje do szkoly opisac uklady ale jakos nie umiem.
    <img src="https://obrazki.elektroda.pl/30_1161888386.jpg">
    https://obrazki.elektroda.pl/30_1161888386.jpg
    <img src="https://obrazki.elektroda.pl/38_1161888515.jpg">
    https://obrazki.elektroda.pl/38_1161888515.jpg

    chodzi mi o cwiczenie 1,2,4 i 6 musze je dokladnie opisac co sie dzieje po kolei np ze zalacza sie stycznik pomocniczy itd.pliss pomozcie bo musze to miec zrobione a dla was to raczej proste
  • REKLAMA
  • #2 3156783
    paweliw
    Spec od komputerów
    Chyba sobie żartujesz ...
    To Ty musisz to rozumieć i rozwiązać, jak nie potrafisz czy też Ci się nie chce to zmień szkołę na inną o poziomie dostosowanym do Twojego ...

    Jak chcesz pomocy to opisz czego nie rozumiesz w poszczególnych zadaniach, może wtedy ktoś Ci pomoże.
    Nie licz, że dostaniesz rozwiązanie na tacy ...
  • #3 3156828
    hefid
    Spoczywaj w Pokoju
    Post był raportowany. Zamykam.
REKLAMA