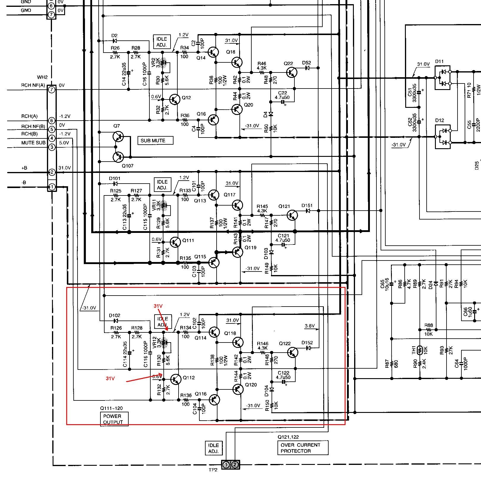
Jak w temacie mam problem z jednym kanałem wzmacniacza a mianowicie za duże napięcie Zaznaczone na schemacie. Sprawdzałem Tranzystory i niby są dobre, sprawdzałem rezystory (są dobre) sprawdzałem diody (są dobre)
nie mam pomysłów co mogło siąść. Proszę o pomoc
