logo elektroda
logo elektroda
X
logo elektroda
REKLAMA
REKLAMA
Adblock/uBlockOrigin/AdGuard mogą powodować znikanie niektórych postów z powodu nowej reguły.

Prosty Zamek Kodowy na przekaźnikach

7dejs 25 Lis 2006 21:12 11105 15
REKLAMA
  • Zamek kodowy

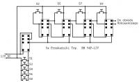
    Zaprojektowałem w dość śmieszny sposób schemat zamka kodowego. Mam swój warsztat w którym przechowuję najróżniejszy sprzęt i narzędzia. To wszystko przydaje mi się do różnych doświadczeń, pomysłów i ulepszeń. Niestety przydawało się to też innym, którzy pożyczali różne rzeczy bez pytania. Zaprojektowałem więc prosty zamek kodowy który został wykonany z 5 przekaźników i 9 przycisków. Całość nie jest zbyt trudna w wykonaniu ponieważ cały układ składa się z przekaźników.

    Fajne? Ranking DIY
    O autorze
    7dejs
    Poziom 11  
    Offline 
    Specjalizuje się w: systemy alarmowe i monitoring
    7dejs napisał 43 postów o ocenie 3. Mieszka w mieście Gowarzewo. Jest z nami od 2006 roku.
  • REKLAMA
  • #2 3401458
    Karol966
    Poziom 31  
    Witam. Konstrukcja banalna, aż gupia. Szczeże mówiąć na podobnej zasadzie zaprogramowalem sterownik LOGO! jednakże efekt był dużo lepszy i dawał większe bezpieczeństwo.
    przedstwiony projekt jest bez sensu. Żeby otworzyć zemek należy wdusić jednocześnie 4 klawisze. NIE PODOBA MI SIĘ TO. NIE FUNKCJONALNE

    Dodano po 4 [minuty]:

    ZWRACAM HONOR AUTOROWI!! mój błąd. Po nieco dogłębnej analizie zauważyłem że przekaźniki mają samoopdtrzymanie czyli nie trzeba wduszać klawiszy jednocześnie. W układzie możnaby zmienić kolejność klawiszy a kod byłby ciekawszy.
  • #3 3430556
    Karol966
    Poziom 31  
    Wydaje mi sie że taki sam układ możnaby zrobić na tranzystorach( kluczach tranzystorowych) byłoby duzotaniej w przypadku gdy ktoś nie ma przekaźników, uk zrobiłem osobiście na dużo tanszych, prostrzych i łatwiej dostępnych przekaźnikach jednoobwodowych no i działa. POLECAM
  • REKLAMA
  • #4 3430893
    7dejs
    Poziom 11  
    Witam czy mógł byś pokazać jak ty wykonałeś to na tranzystorach :D
  • REKLAMA
  • #5 3439317
    Karol966
    Poziom 31  
    nie zrobiłem jeszcze tego na tranzystorach i nie mam pojęcia czt na 100% darade to tekzrobić, to jak narazie przemyślenia, switch podawałby potencjał na baze, o po wysterowaniu tranzystora na wejście podawany bŁby potencjaŁ z wyjścia, coś jak sprzężenie zwrotne, może udaŁoby sie to zrobić ale nie chce mi się kąbinować, ten na przekaźnikach jest ok, troche go własnie rozbudowuje w pewien dodatkowy ukŁad samozamknięcia po okreslonym czasie i sterowanie siŁownikiem

    UKŁAD MA SPORĄ WADĘ, sŁychać pstykanie przekaźników przez co Łatwiej jest rozkodować szyfr ele 5 cyfr na 10 klawiszy daje 100000 możliwości więc chyba wystarczy:-D
  • REKLAMA
  • #6 3478847
    maciej582
    Poziom 1  
    Witam dość fajny ten projekt bo zbudowałem go na tych przekaźnikach i działa bez problemu tylko jest ten minus tego że słychać czasami jak załanczają się przekaźniki lecz wszystko idzie zrobić. Pozdrawiam :D
  • #7 3479181
    pan_deejay
    Poziom 25  
    prościej i z mniejszym poborem prądu można to "popełnić" na np CD 4066 - jak wiadomo zawiera on gotowe klucze i wystarczy je tylko połączyć tak jak przekaźniki.Mam takie coś przy drzwiach do pokoju
  • #8 3665799
    Marcin2c4
    Poziom 1  
    Witam podoba mi się ta prosta budowa tego schematu i zasady działania:D
  • #9 4086980
    holcer
    VIP Zasłużony dla elektroda
    pan_deejay :arrow: mógłbyś wrzucić schemat Twojego zamka? potrzebuje czegoś takiego prostego. Pozdrawiam
  • #10 4087410
    inkognito09
    Poziom 29  
    Projekt na przekaźnikach jest bynajmniej bez sensu. Żeby go otworzyć wystarczy 5 min cierpliwości i dobry słuch. W momencie resetowania słyszymy najpier jak łapie 1 przekaźnik, a 2 puszcza, po zdjęciu palca z przycisku puszcza reset. Wystarczy popykać chwile i już wiemy, że po wciśnięciu jednych jest cpyk, cpyk (złapanie - puszczenie), a po innych tylko jedno cpyk które można później "odcpyknać", a inne wcale nie cpykają za pierwszym razem. Po 2min. bawienia się przyciskami znamy już 5 kasujących sygnalizowanych dźwiękiem "cpyk, cpyk", pierwszą liczbę kodu która robi "cpyk" i 3 kolejne które nie cpykają. Wciskamy pierwszą z kodu i w tym momencie z pośród 3 kolejnych zadziała tylko ta co trzeba, a po naciśnięciu innej nic się nie stanie. Drogą eliminacji po 3 min zamek jest otworzony. Układ miałby sens, gdyby przekaźniki były ciche. A tak - mało przydatna zabawka. Można by zastosować ciche przekaźniki kontaktronowe, i umieścić to z dala od klawiatury (przy której jest ucho). Nudziło mi sie akurat, więc zrobiłem w crococlipie dokładnie to samo, tylko że na przerzutnikach. Oto schemat. Nie ma w nim "zdradliwego cpykania :twisted:"
    Prosty Zamek Kodowy na przekaźnikach
    Jak chcecie zobaczyć jak to działa, to daje i plik do crococlipa, spakowany rarem. Oczywiście, trzeba do tego dodać trochę oporników i kondensatorów niwelujących zakłócenia. Koszt: dwa scalaki po chyba 1.50, trochę przycisków po 50gr, oporniki i kondy już się pewnie znajdą :P
  • #11 4089238
    Konto nie istnieje
    Konto nie istnieje  
  • #12 4414506
    Karol966
    Poziom 31  
    w prawdzie to jednak najlepiej zbudować ten zamek na uP wraz z wyświetlacze LCD + ew dorobić alarm itd, ale to wszystko już kosztuje ok 15-25zł a stare przekaźniki zawsze każdy posiada gdzieś w kartonie na regale a cały zamek zrobi w kilka minut. Osobiście wykonałem 3 opcje tych zamków, 1-na przekaźnikach - działa:-D, 2-na układzie scalonym(chyba na jakiś kluczach czy przerzutnikach)= , ten też działa, nawet lepiej od tego na przekaźnikach bo ma dodatkowe funkcje a ostatni właśnie został zrobiony na at89c52, niestety ze wsadem mam problemy a nie mam czasu do tego wrócić, może dopiero jak już do końca nauczę sie c++, bo wcześniej pisałem w asemblerze
  • #15 8322686
    wojtek1122
    Poziom 11  
    Czy dobrze widzę?
    Włączenie wszystkich wyłączników powoduje otwarcie zamka?

    Pozdrawiam
  • #16 8403329
    wojtek_was
    Poziom 11  
    witam

    Mam pytanie co do 2 schematu tzn. jakiego przerzutnika użyć? Pierwszy raz słyszę o czymś takim.

    Pozdrawiam.
REKLAMA