logo elektroda
logo elektroda
X
logo elektroda
REKLAMA
REKLAMA
Adblock/uBlockOrigin/AdGuard mogą powodować znikanie niektórych postów z powodu nowej reguły.

Kontroler MIDI dla ubogich

Jimi Hendrix 16 Gru 2006 00:12 10465 9
REKLAMA
  • Kontroler MIDI dla ubogich
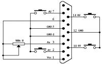
    No właśnie, ostatnio bawie się B4 II potrzebny mi był kontroler do swell pedała, do włączania wibrata, percussion i hamulca głośnika leslie. Nie chciało mi się kombinować z przetwornikami A/D, mikrokontrolerami, wpadłem więc na pomysł użycia interfejsu dżojstika. Eureka! 4 przetworniki A/D, 4 wejścia na przyciski... Wziąłem się więc do roboty, zrobiłem prymitywną płytkę do 4 microswitchy (vibrato upper, vibrato lower, percussion, brake). Jako pedał wykorzystałem liniowy potencjometr suwakowy 47k. Podłączyłem wszystko według schemaciku, kable przylutowałem bezpośrednio do karty dźwiękowej - nie chciało mi się robić przejściówek, bo korzystam także z tego wejścia jako MIDI. Pedał zrobię niedługo. Do obsługi tego napisałem program w delphi 7, który odbiera sygnał z portu, przerabia na CC, a następnie kieruje do programowego portu MIDI, potem do B4. Załączam zdjęcia, screenshoty, programik i jego źródło + użyte komponenty do obsługi gameportu.
    Pozdrawiam
    Jimi H

    Fajne? Ranking DIY
    O autorze
    Jimi Hendrix
    Poziom 19  
    Offline 
    Specjalizuje się w: 8051, asm
    Jimi Hendrix napisał 442 postów o ocenie 68, pomógł 11 razy. Jest z nami od 2003 roku.
  • REKLAMA
  • #2 3336342
    corse
    Poziom 14  
    Pomysł fajny, tylko szkoda że nie zrobiłeś obudowy na to to raz a dwa mogleś kupić wtyk Midi i podpinać ładnie:) a nie tak na chama się wlutować:) Pomysł 6/6 Wykonanie 4/6
  • REKLAMA
  • #3 3336514
    djskate8
    Poziom 19  
    Wykonanie tragiczne, ale przyznam świetnie spełnia swoją rolę. Weź jednak zrób pod wtyczkę midi a nie tak lutuj do dźwiękówki. Co co mikrowłączników.Weź jakiś stary pad od kompa lub pegasusa i weź z niego samą część do sterowania kierunkami.Wykonanie 2/6, Pomysł 5/6
  • REKLAMA
  • #4 3336721
    elektronik000
    Poziom 19  
    ciekawy pomysł, kiepskie wykonanie
  • #5 3336779
    Jimi Hendrix
    Poziom 19  
    Do dźwiękówki podpiąłem, ponieważ korzystam także z jej wyjścia midi, a nie miałem wtyku i gniazda DB15. Obudowa będzie i jakieś bardziej przyzwoite przełączniki, a nie te microswitche z faxu....
    pozdrawiam
    Jimi H.
  • #6 3337732
    Wrather
    Poziom 12  
    pomysl bardzo dobry! a foty mogles wrzucic ja zrobisz obudowe, to wtedy by nie bylo slow krytyki ;)
  • #7 3338389
    cultus141
    Poziom 10  
    Fajne :)
    Przydała by sie jakaś obudowa..... bo to troszke dziwnie wyglada jak na mój gust
    Ale na ogół to pomysł jest dobry ;)
  • #8 3339067
    tomeeh
    Poziom 24  
    Hmm, ciekawy pomysł.
    Czy ciężko było napisać program?
    I jeszcze jedno - w jaki sposób tego używasz, bo wiadomo, że nie weźmiesz pod pachę swego Rolanda na koncert.
    Pochwal się, w jakis sposób wykorzystujesz MIDI.
    Swoją drogą - jaki to Roland? Miałem kiedyś E16, ale potem przesiadłem się na Yamahę QS-300... Chciałem poabwić się w MIDI, ale stwierdziłem, że w tym klawiszu wszystko jest (sequencer, rozbudowany moduł brzmieniowy, itd., itp.), więc na nic mi się to MIDI przyda. No ale może jakiegoś fajnego zastosowania jeszcze nie znam...
  • REKLAMA
  • #9 3340997
    Jimi Hendrix
    Poziom 19  
    Roland E-14, kupiony za grosze tylko dla MIDI bo dźwięk beznadziejny...
    Z napisaniem programu nie było kłopotu - w końcu to Delphi, do obsługi midi są gotowe komponenty - dołączyłem je do archiwum z programem. Jak już napisałem, stosuję klawisz i kontroler do B4 II - programowego symulatora organów Hammonda, które chcę zakupić ale fundusze :cry:
    Jedyne wmaganie sprzętowe to obsługa SSE przez procesor, co spełnia np. P III. Grałem eksperymentalnie na koncercie, jednak ze zwykłym kompem, ale jak zrobię imterfejs MIDI - USB, ze spokojem wezme laptopika. Koniecznością są także sterowniki ASIO, wtedy uzyskujesz latencję na poziomie 8 ms, co jest dosyć przyzwoitym wynikiem. Nic tylko grać...
    pzdr
    Jimi H.
  • #10 15512050
    stasznik
    Poziom 1  
    Witaj,

    próbuję podłączyć przez midi e-14 za pomocą przejsciowki midi/usb - instaluje się kabelek automatycznie ale instrumentu komputer nie widzi. Nie wiem czy coś xle robię czy midi jest uwalone w klawiszu.. . Mógłbyś coś doradzić? Programem obsługującym na kompie jest grandorgue i kauptwerk.
REKLAMA