logo elektroda
logo elektroda
X
logo elektroda
REKLAMA
REKLAMA
Adblock/uBlockOrigin/AdGuard mogą powodować znikanie niektórych postów z powodu nowej reguły.

Alternator z dużego fiata do Ursus c360

looco5 28 Gru 2006 11:34 6830 6
REKLAMA
  • #1 3377844
    looco5
    Poziom 16  
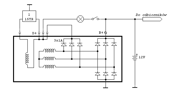
    Jak podłączyć alternator i regulator napięcia z fiata do "60" prosze o pomoc lub jakieś schematy
    z góry dzięki
    pozdrawiam

    Lub zapytam inaczej jak podłaczyc sam altelnator i regulator do byle czego (obojetnie jaki pojazd)
  • REKLAMA
  • Pomocny post
    #2 3385407
    waldekel
    Poziom 28  
    Sposób podłączenia taki sam jak i we fiacie.
    Fiatów było dużo i różne rozwiązania. Niestety nie wiem jaką instalację ma "60".
  • REKLAMA
  • #3 3390124
    looco5
    Poziom 16  
    dzięki teraz będe musiał poszukać fiata
  • REKLAMA
  • Pomocny post
    #5 3400342
    automex
    Poziom 14  
    schemat jest ok., ale dotyczy alternayora wyprodukowanego po roczniku 83
  • REKLAMA
  • Pomocny post
    #6 3496741
    VITO11
    Poziom 12  
    Podłączenie alternatora zależy od tego czy alternator jest 6 czy 9 diodowy.Rownież regulator napięcia zależy od typu alternatora.W 9 diodowym alternatorze wstępne wzbudzenie następuje porzez przepływ prądu poprzez kontrolkę ładowania, natomiast w 6 diodowym jest wymuszane po załączeniu + zasilania na regulator napięcia.
  • #7 3677292
    looco5
    Poziom 16  
    podłączone i działa pozdrawiam
REKLAMA