Witam, zrobilem generator impulsow wg nizej podanego schematu.
Wykaz elementów :
C1 : 220nF
R1 : 1M
R2 : 330
D1-D4 : LED
U1 : 4047
Generator dziala bez problemow. Daje on efekt przemieszczajacego sie punktu, najpierw zapala sie pierwsza dioda i gasnie, potem druga dioda i gasnie, trzecia sie zapala i gasnie, potem czwarta tak jak pozostale, cykl sie powtarza. Ten schemat jest przeznaczony na 4 diody, ja chcial bym dac ich wiecej, np 8. Jak to zrobic? Jak widac uklad schemat jest prosty wiec oczekuje jak najprostrzego rozwiazania
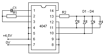
Wykaz elementów :
C1 : 220nF
R1 : 1M
R2 : 330
D1-D4 : LED
U1 : 4047
Generator dziala bez problemow. Daje on efekt przemieszczajacego sie punktu, najpierw zapala sie pierwsza dioda i gasnie, potem druga dioda i gasnie, trzecia sie zapala i gasnie, potem czwarta tak jak pozostale, cykl sie powtarza. Ten schemat jest przeznaczony na 4 diody, ja chcial bym dac ich wiecej, np 8. Jak to zrobic? Jak widac uklad schemat jest prosty wiec oczekuje jak najprostrzego rozwiazania