logo elektroda
logo elektroda
X
logo elektroda
REKLAMA
REKLAMA
Adblock/uBlockOrigin/AdGuard mogą powodować znikanie niektórych postów z powodu nowej reguły.

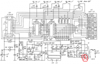
Zegar prod. b.ZSRR Elektronika 6.15

Jure 08 Lut 2007 13:40 2916 3
REKLAMA
  • #1 3543641
    Jure
    Poziom 11  
    Zegar jak w temacie świecą się na nim same 88.88 Kropka miga prawidłowo. Czy może to oznaczać uszkodzenie K176ID3 (temat " Ruski zegar - zarzenie wygaszonych segmentow")?
    Pozdrawiam
  • REKLAMA
  • #2 3543734
    Gienek
    Poziom 37  
    NIe ID3, ale tam jest jeszcze IE13 i to on jest temu winien.
  • REKLAMA
  • #3 3543803
    Jure
    Poziom 11  
    Zgadza się ten też jest. IE18, IE13 i ID2 według schematu znalezionego na elektrodzie.
    Czyli zamienników tego "cuda" brak ...
  • Pomocny post
    #4 18673389
    x25
    Poziom 2  
    Niedawno znalazłem takie ustrojstwo i jego zachowanie było jak w opisie.
    Okazało się, że nie było połączenia żarzenia z masą. Właściwie to katody z masą (żarzenie robi też za katodę).
REKLAMA