Witam.
Mam problem. Chciałbym zrobić sobie neony do samochodu ze zwykłych świetlówek. Do tego celu wykorzystałem lampę warsztatową (świetlówkową).
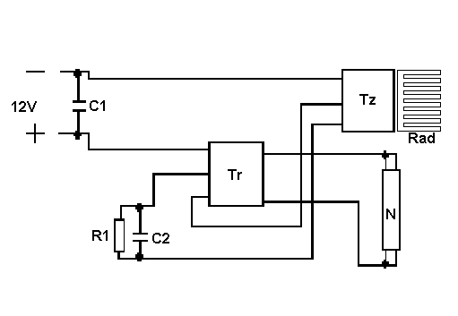
Jednak jakość światła była marna. Rozebrałem tą lampę i ukazał mi się układ załączony na obrazku (prowizoryczny, ponieważ jestem w tych
sprawach zielony). Chciałbym zrobić identyczny układ tylko żeby mógł poradzić świetlówki dużo większe (oryginalnie świetlówka 8W długość ok.
25cm, średnica 15mm). Tu zaczyna się mój problem. Nie wiem, które elementy wymienić i na jakie, gdybyście mogli rozwiązać mój problem to
byłbym bardzo wdzięczny. Teraz krótki opis mojego schematu (spisuję to co było napisane na elementach):
R1 - rezystor kolory: złoty, czerwony, żółty, czerwony
C1 - kondensator [KX], 25V, 47 mikro F
C2 - kondensator (chyba) 473
Tr - jakiś mały transformator (tak mi się zdaje) bez żadnych oznaczeń
Tz - tranzystor (ale nie jestem pewien) D313 E8H3
N - świetlówka F8T5D.D
Rad - radiator (połączony z tranzystorem)
Schemat rysowałem potrząc na układ od strony ścieżek (elementy z drugiej strony)
Wiem, że jestem niedokładny ale naprawde się na tym nie znam. Podłączałem pod ten układ większą świetlówkę (18W) ale słabo świeciła, a
transformator strasznie brzęczał. Może znacie jakiś inny prosty układ który mogę wykorzystać do tego celu.
Bardzo proszę o pomoc. Z góry dziękuję i pozdrawiam.
Początkujący elektryk Rafał [HiOb] /hiobb@o2.pl/
Mam problem. Chciałbym zrobić sobie neony do samochodu ze zwykłych świetlówek. Do tego celu wykorzystałem lampę warsztatową (świetlówkową).
Jednak jakość światła była marna. Rozebrałem tą lampę i ukazał mi się układ załączony na obrazku (prowizoryczny, ponieważ jestem w tych
sprawach zielony). Chciałbym zrobić identyczny układ tylko żeby mógł poradzić świetlówki dużo większe (oryginalnie świetlówka 8W długość ok.
25cm, średnica 15mm). Tu zaczyna się mój problem. Nie wiem, które elementy wymienić i na jakie, gdybyście mogli rozwiązać mój problem to
byłbym bardzo wdzięczny. Teraz krótki opis mojego schematu (spisuję to co było napisane na elementach):
R1 - rezystor kolory: złoty, czerwony, żółty, czerwony
C1 - kondensator [KX], 25V, 47 mikro F
C2 - kondensator (chyba) 473
Tr - jakiś mały transformator (tak mi się zdaje) bez żadnych oznaczeń
Tz - tranzystor (ale nie jestem pewien) D313 E8H3
N - świetlówka F8T5D.D
Rad - radiator (połączony z tranzystorem)
Schemat rysowałem potrząc na układ od strony ścieżek (elementy z drugiej strony)
Wiem, że jestem niedokładny ale naprawde się na tym nie znam. Podłączałem pod ten układ większą świetlówkę (18W) ale słabo świeciła, a
transformator strasznie brzęczał. Może znacie jakiś inny prosty układ który mogę wykorzystać do tego celu.
Bardzo proszę o pomoc. Z góry dziękuję i pozdrawiam.
Początkujący elektryk Rafał [HiOb] /hiobb@o2.pl/
