logo elektroda
logo elektroda
X
logo elektroda
REKLAMA
REKLAMA
Adblock/uBlockOrigin/AdGuard mogą powodować znikanie niektórych postów z powodu nowej reguły.

Zwrotnica do Tonsila GDN 16/50/6 i STX 10/200/8

marcin1111 04 Mar 2007 19:42 4207 22
REKLAMA
  • #1 3643495
    marcin1111
    Poziom 11  
    Witam.
    Jestem w trakcie tworzenia kolumienek na takich głośnikach. Wszystko już jest Tonsila GDN 16/50/6 8ohm i STX 10/200/8 też 8ohm. Oczywiście trzeba zrobić do tego zwrotnicę ale nie mam pojęcia jak. Kompletnie się na tym nie znam co mi będzie potrzebne.
    Wdzięczny bym był za jakiś schemacik i wykaz potrzebnych komponentów.
    Przycisk pomógł będzie użyty.
    Pozdrawiam
  • REKLAMA
  • #2 3643804
    kortyleski
    Poziom 43  
    nie taka prosta sprawa....niełatwo jest wykonać zwrotnicę w/g gotowego schematu- kupić odpowiednie kondensatory i nawinąc cewki....
    Pierwsza opcja: zwrotnica aktywna z regulowanymi filtrami, ma wiele zalet a po za z efekt ale za to jakitym dostroisz kolumienki na cacy!
    druga możliwość: kup gotowe zwrotki na allegro lub gdziekolwiek indziej i miej nadzieje że zagra
    trzy: książka do elektrotechniki, oblicz cewki, zbuduj filtr lc dla basu póżniej generator i oscyloskop stroisz to i po około roku masz efekt- ale za to jaki!!!!
    sam tak robiłem
  • Pomocny post
    #3 3645818
    Arkadyo
    Poziom 31  
    Znalazłem informacje o korektorze impedancji dla tego tonsila C=15uF a R=10Ω w jakiejś konstrukcji widziałem go z podziałem na 3500hz 12 db/okt jak mi podasz czy ten stx to wersja aj czy pj to zrobię schemat na którym będziesz mógł to zapiąć i potraktować jako materiał do dalszego dopieszczenia
  • #4 3646896
    marcin1111
    Poziom 11  
    oczywiscie wersja PJ tych STX`ów.
    Jakbyś mógł zrobić prosty rysuneczek w pintcie bo nie wiem w jakich miejscach to wrzucić.
    Dzięki wielkie.
    Pomógł poleciało
    Pozdrawiam
  • #5 3648412
    Arkadyo
    Poziom 31  
    Dzisiaj późnym wieczorem zrobie schemat z podziałem około 3,5khz 12db/okt i tym korektorem i wrzuce tutaj. Szkoda że nie dałeś kopułki chociaż wersji aj, bo ten tonsilek gra naprawdę ładnie i pasowałoby mu kupić kiedys coś lepszego do pary chociaż visatona sc10
  • REKLAMA
  • #6 3648438
    the-lukas
    Poziom 17  
    Samym kondm i opornikiem nie uzyskasz nachylenia 12db/okt potrzeba jeszcze cewka, opornikiem przytłumisz wysokotonowke
  • #7 3648489
    Arkadyo
    Poziom 31  
    Ten kond i opornik to korektor impedancji :), który dodatkowo musisz dać za filtrem żeby cały tor działał na impedancji około 8 ohm na jaką będzie ten filtr liczony. Oczywiście jest jeszcze drugie wyjście nie dawać korektora i przeliczyć impedancję na żądaną częstotliwość przetwornika i wtedy wyliczyć filtr ale bez pomiarów ja obstaje za wersją z korektorem.
  • REKLAMA
  • #9 3648564
    patrykdud
    Poziom 22  
    the-lukas - fajne te tabelki ale do nich trzeba mieć wiedzę, np samemu dobrać rozsunięcie filtra i fazowanie głośników, a autor założył taki temat to widocznie wiedzy nie posiada. Lepiej zadziała zwrotka z średniej klasy kalkulatora chociażby WinISD niż takie dobieranie na pałę z tabelki, tym bardziej że do tych filtrów i tak trzeba by dołożyć korekcję impedancji jak pisał Arkadio.
  • #10 3648571
    Arkadyo
    Poziom 31  
    Konstrukcje z wyższej półki są robione za pomocą pomiarów przetworników w konkretnych obudowach a to pozwala na wiele i nie ma co porównywać takiej sytuacji. Poza tym z tego co ja widziałem zwrotnice z wyższej półki to potrafią być tak przeładowane elementami, że trzeba naprawdę świetnie się znać na tym zagadnieniu żeby zrozumieć dlaczego większość z nich tam jest. Przede wszystkim konstrukcje z wyższej półki mają kompensację baffle step a to jest pare dodatkowych elementów w zwrotnicy ale skąd kolega ma to wiedzieć skoro z tego co wypisuje wyżej wynika iż nie jest w stanie odróżnić korektora impedancji od filtra więc miałbym prośbę o większą wstrzemięźliwość w wygłaszaniu opinii.
    Jak Marcin111 poskłada Jig'a i przedwzmacniacz mikrofonowy to wtedy sobie podejmie decyzję z korektorem czy bez, z kompensacją baffle step czy bez a narazie koszt takich zwrotek to 30-40 zł i już będzie grało.
  • #11 3648585
    patrykdud
    Poziom 22  
    Żeby filtr 1 stopnia dobrze działał to głośnik powinien ciągnąć liniowo dwie oktawy powyżej częstotliwości odcięcia i być bardzo stabilny pod względem impedancji w interesującym nas zakresie - dlatego do drogich głośników stosuje się banalnie proste zwrotnice i wszystko jest cacy.
  • REKLAMA
  • Pomocny post
    #12 3649075
    Arkadyo
    Poziom 31  
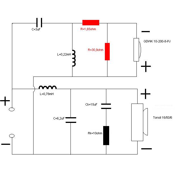
    Wylazło takie coś z podziałem około 3,5khz Fc=2300 i Fc=4600 przy stromości zboczy 12 db/okt. Zwróć uwagę, że kopułka ma być wpięta w przeciwfazie. Tłumik (zaznaczony na czerwono) dla kopułki liczony na -2db ale proponuje Ci zapiąć na początek bez niego i posłuchać - wiesz jeden lubi jak cyka mocniej, drugi jak mniej :) - posłuchaj bez tłumika i wtedy podejmij decyzję ile tłumić no i daj znać jak gra :)

    Zwrotnica do Tonsila GDN 16/50/6 i STX 10/200/8

    https://obrazki.elektroda.pl/56_1173181851.jpg
  • #13 3649348
    patrykdud
    Poziom 22  
    Arkadyo - a jaki spadek przyjąłeś w Fp? O ile się nie mylę powinno być -6dB dla filtrów 2 rzędu.
  • #14 3649406
    Arkadyo
    Poziom 31  
    No i się nie mylisz ale nie wiem co znaczy "powinno być -6db" skoro w tym schemacie tak właśnie jest. Może napisz dokładniej o co chodzi bo nie bardzo łapie, co Ci się wydało podejrzane
  • #15 3649443
    patrykdud
    Poziom 22  
    Po prostu pytam bo nie chciało mi się przeliczać :-D
  • #16 3649467
    Arkadyo
    Poziom 31  
    Wiesz to żadne wielkie liczenie przy filtrach 2 rzędu na punkt -6db. Po prostu przy tej samej impedancji Fc dla kopułki musi się znajdować oktawę wyżej od Fc dla midbasa :)
  • #17 3650671
    marcin1111
    Poziom 11  
    To się nazywa pomoc!
    Dzięki wielkie Arkadyo! Mam nadzieje że ten post posłuży nie tylko mi ale i innym którzy będą tworzyli coś takiego.
    Pozdrawiam
  • #18 3651169
    greg-si
    Poziom 27  
    Robie monitorki na takich głośnikach więm mi również przyda się ten schemacik.
    Bardzo ciekawa propozycja.
    Pozdrawiam
  • #19 3651231
    marcin1111
    Poziom 11  
    Teraz właśnie szukam elementów do tej zwrotnicy i mam w związku z tym jeszcze pytania:
    1. Jakiej grubości brać drut do cewek? 0,8mm wystarczy?
    2. Niestety w ofercie sklepu nie ma kondensatorów 6,2uF a co za tym idzie brać 5,6uF czy 6,8uF? Tak samo z 3uF 2,7uF czy 3,3uF?
    3. Rezystory ceramiczne 5W 1,65 i 30,9 nie widnieją na stronie. Czy zastąpić 1,65 ohm 1,5 czy 1,8ohm a 30,9 ohm 27 czy 39ohm.

    W sprawie zwrotnic jestem zielony jak szczypiorek więc się pytam o wszystko.
    Pozdrawiam i dziekuje.
  • #20 3652314
    Arkadyo
    Poziom 31  
    Prawie wszystkie elementy które masz w tej zwrotnicy dostaniesz w polink wilkowo - jak robiłem zwrotkę to sprawdzałem czy tam są i cewki masz wszystkie, kondy 6,2uF i 15uF też są jedyne czego nie ma to kond 3uF ale możesz go złożyć z kondów 1,2 i 1,8 które też tam są łącząc je równolegle.
    Cewkę na midbasa daj z drutu 1,2mm, a tą drugą możesz dać z 0,7 -0,8mm. Kondy dawane równolegle (poza tor sygnałowy :))mogą być elektrolityczne bipolarne, ten w szereg przed wysokim możesz wrzucić Janzen ale w brzemiu kopułek stx pj rewolucji się nie spodziewaj.
  • #21 3653102
    patrykdud
    Poziom 22  
    Arkadyo - pytałem bo w praktyce nie jest tak różowo - filtr rzeczywisty nie działa liniowo i na początku opada słabiej więc różnica 1,5dB dla jednego głośnika to nie dużo (wręcz pomijalne) ale dla dwu głośników to już 3dB więc może być słychać. Ale to tak teoretycznie bo przesunięcia fazowe i tak zrobią swoje i będą górki-dołki na Fp

    Marcin1111 - nie traktuj tego co napisałem zbyt serio i rób zwrotnicę jak pisał Arkadyo.
  • #22 3685423
    Konto nie istnieje
    Konto nie istnieje  
REKLAMA