Witam wszystkich.
Chciałem zaprezentować to co stworzyłem.
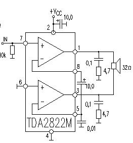
Otóż jest to wzmacniacz wykonany na układzie TDA2822M, układ wylutowałem z starych niedziałających głośników komputerowych. Schemat ściągnąłem z noty katalogowej.
Impedancja głośnika to 8Ω. Zasilanie to jak narazie bateria 9V (6F22), ale akumulatorek jest już zamówiony i w niedługim czasie zmieni baterie
Na początku głośnik nie posiadał grila i niestety nie wyglądało to najlepiej, i wykorzystałem gril z zasilacza od komputera. dotarłem go pastą polerską i przykleiłem silikonem. Efekt zarówno wizualny jak i audio mnie zadowala
Teraz trochę o ładowarce. Jest to projekt z tej strony, tylko zastosowany przeze mnie układ jest odpowiednikiem. Prąd ładowania to 10mA (mierzony multimetrem). Transformator nawinąłem tak że daje napięcie 12,9V.
To chyba wszystko. Jeśli ktoś ma jakieś pytania proszę pisać chętnie odpowiem
Pozdrawiam
I jeszcze zdjęcia:

Fajne? Ranking DIY
