Do
Matejkos; może jakiś schemacik?Tylko proszę dokładnie co i jak
;dziękuje za zainteresowanie i odpowiedz
Do
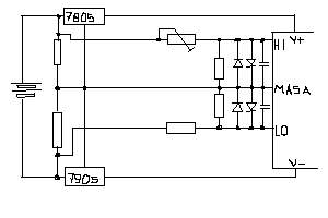
pepson; może moje pytanie jest nieco głupie...ale co to za wyjścia "hi" i "lo" na tym rysunku?? No domyślam się że z angielskiego high i low ale na rysunku tego woltomierza na icl7107 ich nie ma...no chyba że Tobie chodzi po prostu o końcówki pomiarowe
;dziękuje za zainteresowanie i odpowiedz
Do
submariner; może jakiś schemacik?Tylko proszę dokładnie co i jak
;dziękuje za zainteresowanie i odpowiedz
ogólnie to mnie interesuje jak najprostrza i jak najtańsza konstrukcja woltomierza z wyświetlaczem LED do kondensatora car audio-bierzcie to pod uwagę; może być 7805 i 7905 lub ten inwerter napięcia icl7660, tylko aby jak najtaniej to wyszło i jak najlepiej działało
PS.Popatrzcie..ciekawostka: na zdjęciu widać że jest tylko jeden stabilizator 7805(dodatni, +5V) i to normalnie działa i mierzy to samo napięcie z którego jest mierzone,a jak to zrobić?...(widziałem ze to 7805 bo akurat taki sam z bliska oglądałem

)
(zwróćcie uwagę jaka prostota wykonania! )
a na tym zdjęciu widać mniej więcej co jest w innym, bardziej zaawansowanym modelu(znany mi tylko ze zdjęcia):
Thx for all
Elektroda Team
___________________________________________________
PPS.Pozdr all people from BEST-BP-STACH'O'HARD'n'CORE-SHOOL
