Mam pytanko odnosnie tego schematu
Jest oryginalny z ladowarki "Pentagram"
Czy taka ladowarka bedzie dobra do ladowania akumulatorkow ?
Czy ona cos naladuje ?
Z tego co sie orientuje to rownie dobrze do takiego ladowania wystarczy zwykly zasilacz stabilizowany
R1 15Ω
R2 15Ω
R3 15Ω
R4 15Ω
D1 IN4007
D2 IN4007
D3 Led
D4 Led
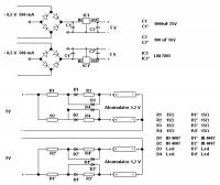
Jest oryginalny z ladowarki "Pentagram"
Czy taka ladowarka bedzie dobra do ladowania akumulatorkow ?
Czy ona cos naladuje ?
Z tego co sie orientuje to rownie dobrze do takiego ladowania wystarczy zwykly zasilacz stabilizowany
R1 15Ω
R2 15Ω
R3 15Ω
R4 15Ω
D1 IN4007
D2 IN4007
D3 Led
D4 Led
