Witam.
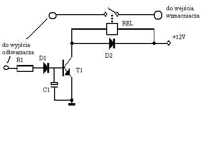
Chciałbym zbudować układ, który po przekroczeniu pewnego poziomu głośności załączałby dodatkowy wzmacniacz z subwooferem. Myślałem nad sterowaniem przekaźnika (załączającego lub rozłączającego sygnał do wzmacniacza) tranzystorem. Sygnał z wyjścia głośnikowego radia (radio nie posiada wyjścia niskonapięciowego) padał by na ten tranzystor przez diodę, a ponieważ napięcie rośnie wraz z poziomem głośności można by było dopasować moment załączania rezystorem.
I oto moje pytania:
Czy przekaźnik byłby do tego odpowiedni (ewentualne iskrzenie na stykach)?
Jaki tranzystor byłby odpowiedni do tego celu?
I czy taki układ spełniałby wogole swoje zadanie?
Jeśli nie, to prośiłbym o jakiś schemat podobnego urządzenia.
Jestem początkujący i proszę o wyrozumiałość i wszelkie uwagi.

Chciałbym zbudować układ, który po przekroczeniu pewnego poziomu głośności załączałby dodatkowy wzmacniacz z subwooferem. Myślałem nad sterowaniem przekaźnika (załączającego lub rozłączającego sygnał do wzmacniacza) tranzystorem. Sygnał z wyjścia głośnikowego radia (radio nie posiada wyjścia niskonapięciowego) padał by na ten tranzystor przez diodę, a ponieważ napięcie rośnie wraz z poziomem głośności można by było dopasować moment załączania rezystorem.
I oto moje pytania:
Czy przekaźnik byłby do tego odpowiedni (ewentualne iskrzenie na stykach)?
Jaki tranzystor byłby odpowiedni do tego celu?
I czy taki układ spełniałby wogole swoje zadanie?
Jeśli nie, to prośiłbym o jakiś schemat podobnego urządzenia.
Jestem początkujący i proszę o wyrozumiałość i wszelkie uwagi.
