Witam,
Parę miesięcy temu kupiłem na allegro miniszlifierkę Verto 51G013. Na początku działała bez zarzutu, ale po jakimś czasie zaczęła szwankować regulacja obrotów. Teraz urządzenie pracuje tylko na najwyższych obrotach, więc jeżeli chciałbym wiercić np. w plastiku, to lipa :/ Rozkręciłem więc wiertareczkę i zajrzałem do środka. Płytka ma się dobrze, brak rys na ścieżkach i zimnych lutów. Sprawdziłem potencjometr - pisze na nim, że ma 500k, ale miernik wskazał ok. 150k - kręci się dobrze i rezystancja zmienia się płynnie - być może zaniżana jest jego wartość, gdy jest włączony w układ .
Jestem początkujący, elektroniką zajmuję się może od pół roku, dlatego nie za bardzo wiem, jak dalej się zabrać za naprawienie wiertarki. Może ktoś miał już podobny problem lub wie, jak go rozwiązać?
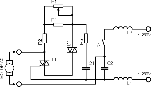
Patrząc na płytkę ułożyłem poniższy schemat - raczej jest dobry ale nie gwarantuję
Wartości elementów:
R1: 150K 1% 0,25W
R2: 75K 5% 1W
R3: 3R3 5% 0,25W
T1: Tyrystor Z0409MF
D1: Diak DB-3 (najprawdopodobniej)
C1: niestety nie udało mi się odczytać wartości, wygląda mi to na kondensator ceramiczny
C2: 0,1u 275V AC
P1: Potencjometr montażowy 500k
L1, L2: wygląda mi to na dwie cewki nawinięte na jednym rdzeniu toroidalnym
Miniszlifierka napędzana jest za pomocą silnika komutatorowego.
Dane techniczne:
* 230 V 50 Hz
* Moc 130 W
* Prędkość obrotowa (płynna regulacja obrotów) 8000 - 32000 min-1
---
Proszę o pomoc. Na co powinienem zwrócić uwagę, które elementy i jak powinienem sprawdzić, co wymienić?
Z góry dziękuję za wszelkie rady.
Parę miesięcy temu kupiłem na allegro miniszlifierkę Verto 51G013. Na początku działała bez zarzutu, ale po jakimś czasie zaczęła szwankować regulacja obrotów. Teraz urządzenie pracuje tylko na najwyższych obrotach, więc jeżeli chciałbym wiercić np. w plastiku, to lipa :/ Rozkręciłem więc wiertareczkę i zajrzałem do środka. Płytka ma się dobrze, brak rys na ścieżkach i zimnych lutów. Sprawdziłem potencjometr - pisze na nim, że ma 500k, ale miernik wskazał ok. 150k - kręci się dobrze i rezystancja zmienia się płynnie - być może zaniżana jest jego wartość, gdy jest włączony w układ .
Jestem początkujący, elektroniką zajmuję się może od pół roku, dlatego nie za bardzo wiem, jak dalej się zabrać za naprawienie wiertarki. Może ktoś miał już podobny problem lub wie, jak go rozwiązać?
Patrząc na płytkę ułożyłem poniższy schemat - raczej jest dobry ale nie gwarantuję
Wartości elementów:
R1: 150K 1% 0,25W
R2: 75K 5% 1W
R3: 3R3 5% 0,25W
T1: Tyrystor Z0409MF
D1: Diak DB-3 (najprawdopodobniej)
C1: niestety nie udało mi się odczytać wartości, wygląda mi to na kondensator ceramiczny
C2: 0,1u 275V AC
P1: Potencjometr montażowy 500k
L1, L2: wygląda mi to na dwie cewki nawinięte na jednym rdzeniu toroidalnym
Miniszlifierka napędzana jest za pomocą silnika komutatorowego.
Dane techniczne:
* 230 V 50 Hz
* Moc 130 W
* Prędkość obrotowa (płynna regulacja obrotów) 8000 - 32000 min-1
---
Proszę o pomoc. Na co powinienem zwrócić uwagę, które elementy i jak powinienem sprawdzić, co wymienić?
Z góry dziękuję za wszelkie rady.
