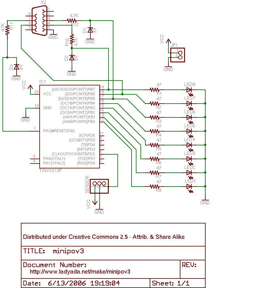
Projekt jest podobny do innych projektów miniPOV umieszczonych na stronie źródłowej. Jest to układ z migającymi diodami LED, których błyski będąc w ruchu układają się w zaprogramowany wcześniej napis. Ta wersja wyposażona została w port szeregowy zamiast portu równoległego, co powoduje, że jest ona mniejsza i łatwiejsza w użyciu. Ponieważ układ ma wbudowany programator, nie ma potrzeby korzystania z zewnętrznych programatorów, wystarczy oprogramowanie dostępne na Windows'a, Linux'a, a także Mac'a
Układ jest dobrym punktem zaczepienia dla młodych elektroników którzy:
1. Uczą się lutować.
2. Uczą się składać proste projekty.
3. Uczą się programować kontrolery.
4Lubią migające gadżety:)
Ponieważ jest to prosty układ, nie rozpoznaje on prędkości, ani kierunku z jakim się porusza., po prostu powtarza on zaprogramowaną wcześniej kombinację. Można go np. przypiąć do ramy od roweru, wentylatora itp.
przykład działania
źródło http://www.ladyada.net/make/minipov3/
kod źródłowy http://www.ladyada.net/make/minipov3/software.html
Fajne? Ranking DIY
