logo elektroda
logo elektroda
X
logo elektroda
REKLAMA
REKLAMA
Adblock/uBlockOrigin/AdGuard mogą powodować znikanie niektórych postów z powodu nowej reguły.

Optyczna separacja portu RS485, kilka pytań

Elektrooonik 21 Kwi 2007 14:13 2386 1
REKLAMA
  • #1 3807706
    Elektrooonik
    Poziom 29  
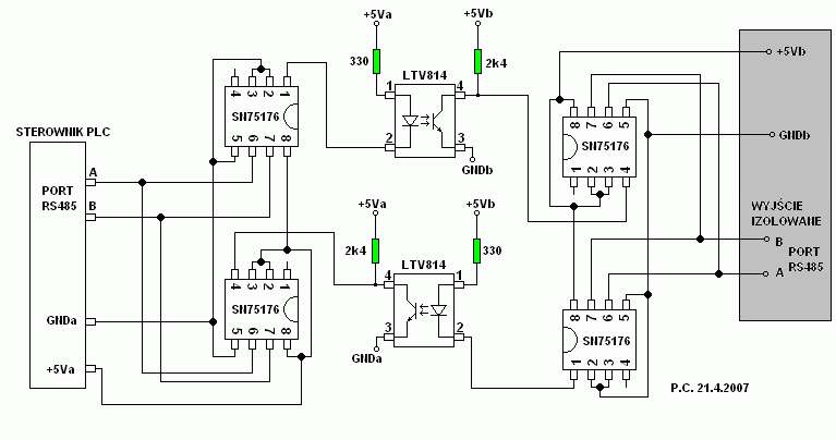
    Witam, stanąłem przed problemem odizolowania galwanicznego portu RS485 w sterowniku PLC. Ponieważ nie znalazłem w sieci gotowego schematu wymysliłem własne rozwiązanie ale zanim podłącze chciałbym spytać szanownych kolegów o zdanie i ewentualne wskazówki co do schematu, działania itp

    Zastanawiam sie czy kostka SN75176 może być cały czas w trybie nadawania? czy nie zajmuje wtedy linii? kiedys przy testach zauważyłem ze sterownik nie mógł nadawać gdy na szynę RS485 była wpięta ta kostka w trybie nadawania natomiast od jakiegoś czasu z takim zjawiskiem sie nie spotykam, jakie są wasze praktyczne doświadczenia z optycznym izolowaniem RS485?

    Z góry dzieki za wszystkie podpowiedzi i wskazówki.

    PS. na wyjsciu powinien byc jeszcze terminator ale na schemacie go nie narysowalem
  • REKLAMA
  • #2 3840055
    ZbigL
    Poziom 12  
    Witaj. W RS485 używa się linii symetrycznej i aktywny nadajnik zarówno w stanie 0 jak i 1 wystawia napięcie i dostarcza prąd do linii (który płynie głównie przez terminatory i w niewielkiej części przez odbiorniki). Nie jest możliwa prawidłowa transmisja gdy aktywny jest więcej niż jeden nadajnik. Aby tego uniknąć używa się określonego arbitrażu w dostępie do magistrali - najprostszy to jedna jednostka nadrzędna odpytująca pozostałe. Wydaje mi się że Twój układ nie ma szans poprawnego działania z tego właśnie powodu - po obu stronach występują sytuacje gdy aktywne mogą być 2 nadajniki na jednej magistrali. Generalnie powinno zadbać się o właściwe sterowanie w czasie lini DE, ale nie wiadomo skąd je wziąć (występuje wewnątrz urządzeń - na określonych liniach wewnętrznych transceiverów RS485, ale to dość istotna ingerencja). Z prostych rozwiązań przyszła mi jedynie do głowy taka sztuczka, żeby podłączyć linie A B układów SN75176 pracujących jako nadajniki poprzez rezystory np. 100R, ew. zwiększyć terminator do np. 200R (lub całkiem usunąć) i zredukować długość połączeń lokalnych magistral do kilku centymetrów. Nadajnik sterownika PLC w stanie aktywnym będzie miał przewagę (brak rezystorów) i będzie w stanie wymusić właściwy stan na lokalnej magistrali (po chwili stan ten powtórzy układ SN75176). W stanie nieaktywnym magistralę wysterowuje SN75176 przez rezystory (niezależnie czy druga strona nadaje czy nie, ale to nie powinno mieć znaczenia). Analogiczne zjawiska zachodzą z drugiej strony. To oczywiście pomysł który należy zweryfikować w praktyce. Rozumiem że transoptory dobierałeś pod kątem parametrów. Mam nadzieję że podzielisz się wynikami ewentualnych dalszych działań.
REKLAMA