logo elektroda
logo elektroda
X
logo elektroda
REKLAMA
REKLAMA
Adblock/uBlockOrigin/AdGuard mogą powodować znikanie niektórych postów z powodu nowej reguły.

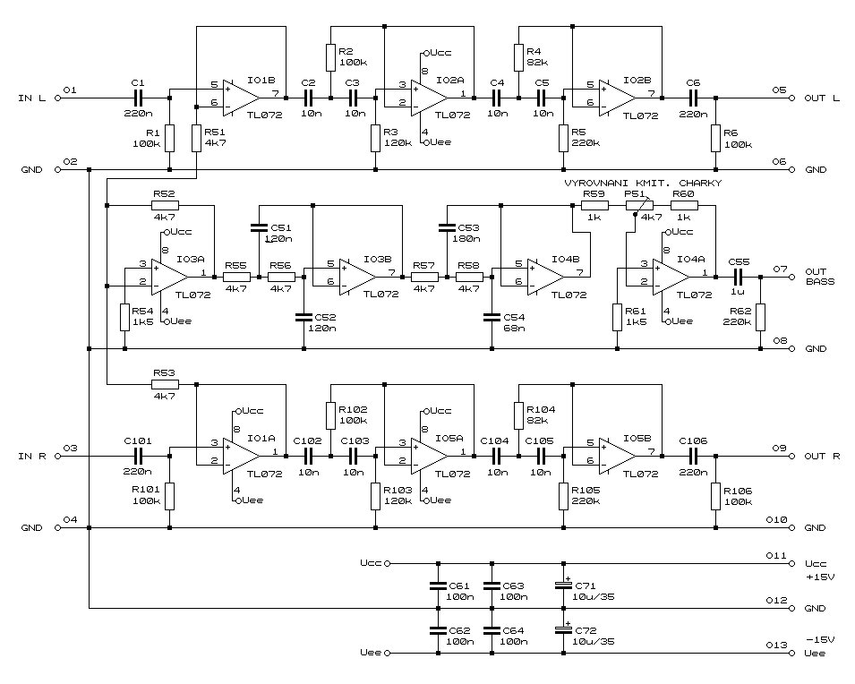
Zwrotnica aktywna 2.1. Który schemat wybrać?

Joker2 04 Maj 2007 22:53 4485 3
REKLAMA
  • #1 3849610
    Joker2
    Poziom 23  
    Mam kolumienki oparte na Tonsilach GD 16/25 i subwoofer na GDN 25/80/1. Do subwoofera filtr z sumatorem zrobiony ze schematu opracowanego przez Irka2 z Elektrody. Mój problem polega na tym, że niskie częstotliwości z kolumn pokrywają się z subwooferem dając brzydki efekt. Myślę, że rozwiązaniem była by zwrotnica aktywna, która dzieliła by pasmo na suba i kolumny. Znalazłem 3 schematy. Proszę o radę który z nich było by warto zrobić.
    Zwrotnica aktywna 2.1. Który schemat wybrać?
    Zwrotnica aktywna 2.1. Który schemat wybrać?
    Zwrotnica aktywna 2.1. Który schemat wybrać?
    Ewentualnie jak by ktoś znał jakiś inny dobry schemat, prosił bym o namiar.
  • REKLAMA
  • Pomocny post
    #2 3851261
    Konto nie istnieje
    Konto nie istnieje  
  • REKLAMA
  • #3 3854822
    Joker2
    Poziom 23  
    Że też nie pomyślałem :) Dziękuję za pomoc. Wyliczyłem ten kondensator, dla 150Hz ma mieć 130µF.
  • #4 3854844
    Konto nie istnieje
    Konto nie istnieje  
REKLAMA