Witam..Mam następujący problem
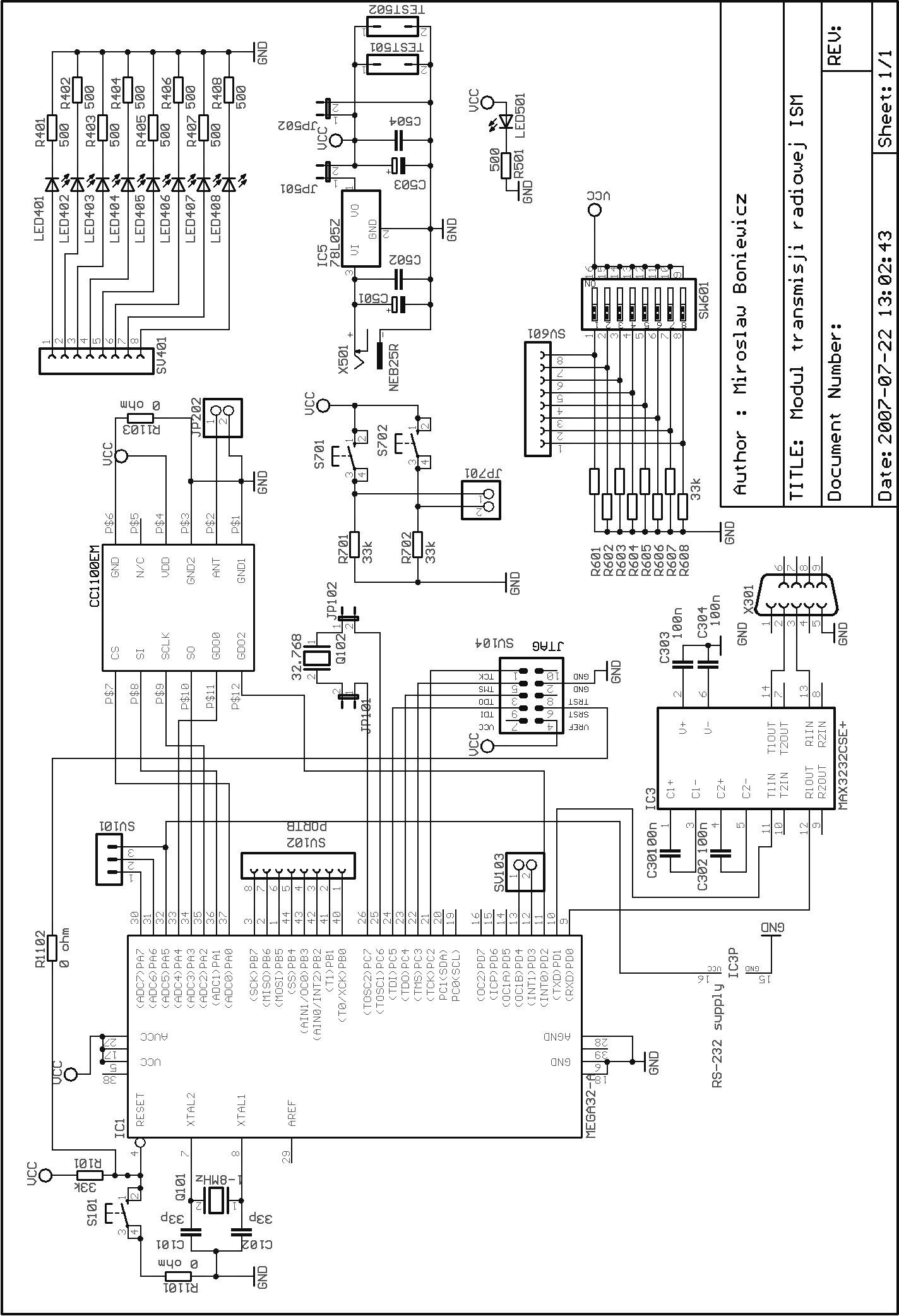
Konstruuję urządzenie oparte o cc1100 na Atmedze 32.
Jak na razie napisałem wszystkie funkcje czyli resetowanie, ustawianie rejestrów przełączanie trybów instr. STROBE lecz nie potrafię zmusić 2 układów żeby przekazały sobie chociażby bajt.
W jednym z układów ustawiam nadawanie jakiegoś słowa, w drugim odbiór danych... Czy ktoś robił to już z pozytywnym skutkiem?
Mi układ odbiera jakieś dane z kosmosu. i łapie wszystko.
oba układy mają te same bajty identyfikacyjne, pasmo, szybkość transmisji i inne parametry.
Jak należy poprowadzić procedurę odczytu?
ja mam tak, że (po resecie ustawieniu rejestrów i kalibracji) przy nadawaniu najpierw przełączam w tryb TX potem wysyłam dane do FIFO.
przy odbiorze przełączam na RX i pobieram bajty(i wysyłam UARTEM na komputer) dopóki nie pokaże się informacja o pustym rejestrze.
a może przy nadawaniu najpierw się podaje dane do fifo a potem przełącza?
czy ma ktoś może sprawne procedury które odpowiadają za tą w sumie najważniejszą część? (bo zrobiłem nawet odczyt temperatury układu do kompensacji częsstotliwości, ale w końcu to transceiver a nie termometr:/ )
z góry dzękuję za pomoc i pozdrawiam
Konstruuję urządzenie oparte o cc1100 na Atmedze 32.
Jak na razie napisałem wszystkie funkcje czyli resetowanie, ustawianie rejestrów przełączanie trybów instr. STROBE lecz nie potrafię zmusić 2 układów żeby przekazały sobie chociażby bajt.
W jednym z układów ustawiam nadawanie jakiegoś słowa, w drugim odbiór danych... Czy ktoś robił to już z pozytywnym skutkiem?
Mi układ odbiera jakieś dane z kosmosu. i łapie wszystko.
oba układy mają te same bajty identyfikacyjne, pasmo, szybkość transmisji i inne parametry.
Jak należy poprowadzić procedurę odczytu?
ja mam tak, że (po resecie ustawieniu rejestrów i kalibracji) przy nadawaniu najpierw przełączam w tryb TX potem wysyłam dane do FIFO.
przy odbiorze przełączam na RX i pobieram bajty(i wysyłam UARTEM na komputer) dopóki nie pokaże się informacja o pustym rejestrze.
a może przy nadawaniu najpierw się podaje dane do fifo a potem przełącza?
czy ma ktoś może sprawne procedury które odpowiadają za tą w sumie najważniejszą część? (bo zrobiłem nawet odczyt temperatury układu do kompensacji częsstotliwości, ale w końcu to transceiver a nie termometr:/ )
z góry dzękuję za pomoc i pozdrawiam
