logo elektroda
logo elektroda
X
logo elektroda
REKLAMA
REKLAMA
Adblock/uBlockOrigin/AdGuard mogą powodować znikanie niektórych postów z powodu nowej reguły.

Początkujący - problem ze schematem.

Sirandilas 25 Maj 2007 15:33 777 2
REKLAMA
  • #1 3920252
    Sirandilas
    Poziom 11  
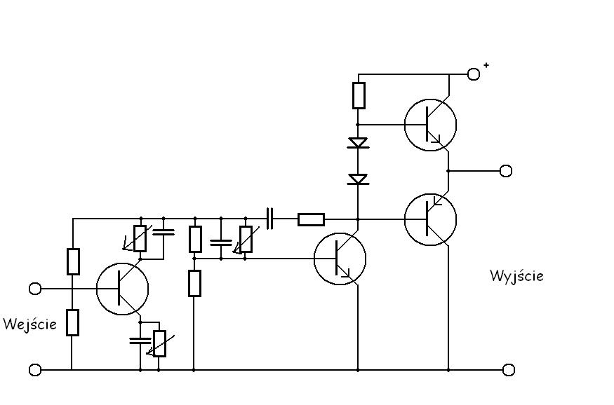
    Znalazłem taki schemat i mam kilka pytań związanych z tym schematem. Przede wszystkim czy można go uruchomić jako wzmacniacz. Z powodu braku oprogramowania i zamazanego schematu przerysowałem go na paint Tranzystory mocy to najprawdopodobniej bc212 i 211. Do preampu chyba bc 107 i 109. Czy on będzie działać? czy może mi ktoś podać wykaz elementów? Z góry dzięki.
  • REKLAMA
  • #2 3920871
    Joker2
    Poziom 23  
    Do czego ma służyć ten wzmacniacz? Z tego co widze, to będzie bardziej brzęczał i szumiał niż grał. Jak jesteś początkujący i chcesz sobie zrobić jakiś mały wzmacniacz, to propnuje jakiś scalak (np. TDA2030, albo TDA2050). Łatwo dostępne i za grosze.

    Takie wzmacniaczyki na kilku tranzystorach robiło się 20 lat temu, albo nawet wcześniej.
  • #3 3921190
    Sirandilas
    Poziom 11  
    Witam. Na TDA2030 mam płytkę i samego scalaka nawet. Ale nadal oczekuje odpowiedzi czy można go zmodyfikować aby normalnie grał. Jeśli to jest totalny niewypał to wystarczy powiedzieć. Ale może gdyby się usunęło to sprzężenie biegnące przez kondensator i opornik aż po emiter w tranzystorze stopnia sterującego to może by uszło :)

    Rzeczywiście po rozpatrzeniu tego schematu zauważyłem że to sprzężenie jest zbędne. Ale co będzie z tymi potencjometrami. Czy będzie to działać jako kilku stopniowa regulacja barwy?

    Chciałem jeszcze powiedzieć że chciałbym go przeznaczyć na cele gitarowe. Dlatego zależy mi na tym schemacie. Mam nadziej że jeszcze to kogoś zainteresuje, ponieważ bc21x słyną ze swojej uniwersalności.:D
REKLAMA