Projekt zegara wyświetlanego za pomocą oscyloskopu na bazie AVR. Układ wykorzystuje mikrokontroler ATmega168, a także ma możliwość komunikacji za pomocą portu RS-232. Układ zasilany jest napięciem 5V i podłączany bezpośrednio do oscyloskopu. Podobnie jak na załączonych zdjęciach na postawie wysyłanego sygnału umożliwia wyświetlanie na bieżąco obrazu zegara.
Wzory płytek w eagle'u, schematy, program, obszerny FAQ dostępny jest na stronie źródłowej autora projektu. Znajdziecie tam także filmik przedstawiający działanie układu.
==================================
==================================
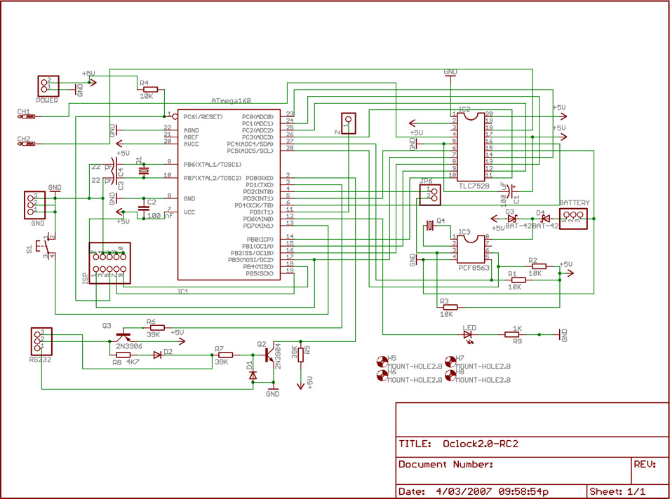
A tutaj schemat:
Zapomniałem o linku, za co przepraszam
źródło http://www.dutchtronix.com/ScopeClock.htm
Fajne? Ranking DIY
