Właśnie buduje kolumny na dwóch przetwornikach niemieckiej firmy Visaton
W170sc 8ohm
G20sc 8ohm
Obudowe wyliczyłem na 50 litrow bass reflex z tunelem o śr.61mm.
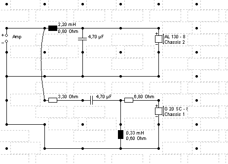
dł.100mm bassbox pokazuje ze jest to port 33,68hz, tylko nie wiem jak zbudowac zwrotnice do tego.Czy ktos moglby mi ja zaprojektowac?
Co o tym wogóle sadzicie?Bede wdzieczny za odpowiedz.
Jezeli bede budowal ta zwotnice to na elementach mundorfa poniewaz sa niezle
W170sc 8ohm
G20sc 8ohm
Obudowe wyliczyłem na 50 litrow bass reflex z tunelem o śr.61mm.
dł.100mm bassbox pokazuje ze jest to port 33,68hz, tylko nie wiem jak zbudowac zwrotnice do tego.Czy ktos moglby mi ja zaprojektowac?
Co o tym wogóle sadzicie?Bede wdzieczny za odpowiedz.
Jezeli bede budowal ta zwotnice to na elementach mundorfa poniewaz sa niezle
