Witam
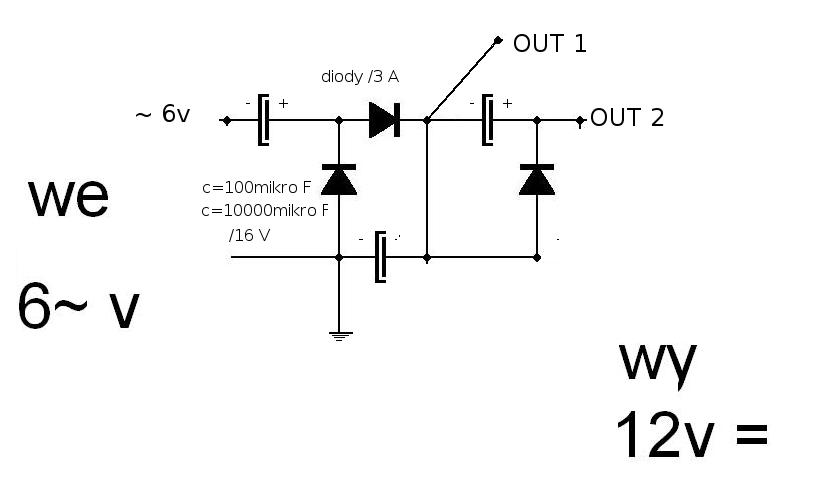
Szukam jakiegoś schematu prostej przetwornicy do Rometa Charta z 6V na 12V? Mam instalację 6V i chcę podłaczyć obrotomierz zasilany 12V. Najlepiej aby ta przetwornica składała się z kilku części i żeby można ją było zlutować w "pająka"
Zna ktoś takie coś?
Szukam jakiegoś schematu prostej przetwornicy do Rometa Charta z 6V na 12V? Mam instalację 6V i chcę podłaczyć obrotomierz zasilany 12V. Najlepiej aby ta przetwornica składała się z kilku części i żeby można ją było zlutować w "pająka"
Zna ktoś takie coś?