samym wejściem tutaj zaniżam poziom
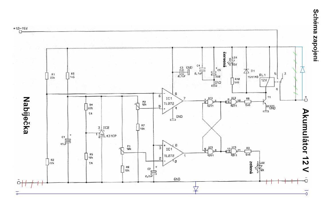
mam pytanie. czy diodę (jako zabezpieczenie przed odwrotnym podłączeniem biegunów do ładowarki-automatyka kupiona w "conradzie") można wpiąć od strony minusa czy musi to być od strony plusa, to drugie rozwiązanie jest też możliwe ale wymaga interwencji w płytce. Być może dla wielu jest to banalne pytanie ale ja słyszałem że nie powinno się diody wpinać na minusie tylko jakoś nikt mi tego nie potrafi wytłumaczyć. Będę wdzięczny za odpowiedź.
Pozdrawiam Poter
Pozdrawiam Poter
