logo elektroda
logo elektroda
X
logo elektroda
REKLAMA
REKLAMA
Adblock/uBlockOrigin/AdGuard mogą powodować znikanie niektórych postów z powodu nowej reguły.

jak podłączyć 2 midbasy vify w 1 kolumnie?

czaroslaww 21 Lip 2007 23:57 1881 14
REKLAMA
  • #1 4102635
    czaroslaww
    Poziom 26  
    witam.
    kupiłem 4 sztuki nisko-średniotonowców : Vifa M18 WH
    aczkolwiek wyjęte z kolumn dali evidence 470 (modyfikowana impedancja 9Ω)

    będę budował kolumny i teraz moje pytanie:
    jak to zgrać...

    -podłączyć szeregowo z impedancją 4,5Ω
    -czy zrobić kolumnę bi-amp czyli na jednej zwrotce jedna vifka midbas + kopułka i osobno jako basowa druga vifa...

    jak proponujecie to rozegrać?

    ps. szukam kogoś z okolic bydgoszczy kto posiada sprzęt pomiarowy do wykonania zwrotnic...


    poza tym rozważam nad kopułką do 250zł/sztuka
    jak na razie obstawiam dx 25tg bo jest naprawdę dobrą kopułką, a do tego za relatywnie niską kwotę.

    pozdrawiam


    To aczkolwiek to bardziej do przyklejenia na pralke sie nadaje niż do użycia w tym kontekście..
    Ck.
  • REKLAMA
  • #2 4102891
    Pawel S.
    Poziom 39  
    jezeli wzmak wytrzyma to lacz rownolegle. polecam XT25 za niewiele wieksza sume
  • #3 4104274
    czaroslaww
    Poziom 26  
    właśnie to jest to... na razie mam harmana hk3480 2x120w /8ohm rms
    nie wiem czy da radę...
    xt25 powiadasz... lepszy?
  • REKLAMA
  • #4 4105562
    Pawel S.
    Poziom 39  
    pewnie ze lepszy - przeciez to najwyzsza polka vify
  • #5 4105831
    czaroslaww
    Poziom 26  
    chyba kupię scan speak'a relevator 800/para używane na allegro... ale tutaj jest pytanie o te midbasy... mam wielki dylemat...
  • REKLAMA
  • #6 4105892
    Pawel S.
    Poziom 39  
    potestuj swoj wzmak ile wytrzyma pod 4 ohm i wtedy sie dowiesz...

    ;[ szkoda ze brakuje mi 200zl na te scany...
  • REKLAMA
  • #7 4106789
    czaroslaww
    Poziom 26  
    ostatnio na allegro nówki za 700 poszły dlatego wstrzymuje się...
    nawet nie wiecie jakie okazje można wyrwać...
    te vify m18 wh kosztują 250/sztuka = 1000/4 ja zapłaciłem 600 z wysyłką ;]

    taki relevator by sobie ślicznie poradził... ahh...
  • #8 4107904
    marivs
    Poziom 17  
    Jeśli mogę się wypowiedzieć to czy głośniki mają 9 czy też 8 ohm nie ma większego znaczenia bo przy łączeniu ich równolegle i tak dojdą dodatkowe elementy zwrotnicy wyrównujące impedancję wypadkową do 8 ohm: cewki, tłumik R/R.
    Należy pamiętać o układzie RC, którego zadaniem jest wyrównanie impedancji głośników niskotonowych np. do 8 ohm.
    Jeśli miałbyś jakieś obawy, że mimo wszystko będzie 4 a nie 8 ohm na wyjściu to dokup wysokotonowy 8 ohm wówczas wypadkowa będzie 6 ohm - zawsze to mniejsze obciążenie dla końcówki mocy.
    Większość wzmacniaczy jest już tak konstruowana, że jest zabezpieczona na wypadek podłączenia niskich oporności a i te nie stanowią problemu bo wzmak zagra bez zniszczenia go.
  • #9 4108369
    czaroslaww
    Poziom 26  
    chyba szeregowo a nie równolegle, prawda?
  • #10 4109180
    marivs
    Poziom 17  
    no wiesz.. nigdy bym nie połączył tych głośników szeregowo bo efekt brzmieniowy będzie opłakany... zobacz na gotowe projekty zwrotnic a zauważysz, że wszyscy producenci kolumn łączą dwa głośniki nisko-średniotonowe równolegle (konstrukcja dwudrożna).
  • #11 4112296
    czaroslaww
    Poziom 26  
    wtedy ich impedancja wyniesie 18 ohm o ile sie nie myle...
  • #13 4113469
    czaroslaww
    Poziom 26  
    hmm... po prostu pomylilem nazwy... ale dzieki za przypomnienie... czyli jak... podlaczyc je rownolegle?
  • #14 4113516
    marivs
    Poziom 17  
    Tak :)
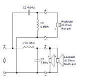
    Jak wrócę do domu to rozrysuję ci zwrotnicę pod te głośniki. Oczywiście traktuj to jako propozycję i bazę do modyfikacji a nie wyznacznik, że taka ma być w 100%

    Jeżeli się nie pomyliłem to dla podziału przy 2800 Hz/ 12dB zwrotka wygląda jak na zdjęciu. Jako wysokotonowy posłużył D27TG-35-06. A tak na prawdę to bez pomiarów tworzenie zwrotnicy jest jak wróżenie z fusów.
  • #15 4114904
    czaroslaww
    Poziom 26  
    nie no zwrotnica ma byc pomierzona... tylko tak jak mowie... nie umiem tego robic, nigdy nawet nie bylem jak ktos to robil...

    dlatego poszukuje kogos kto umie cos takiego z okolic bydgoszczy... ostatecznie podjade do katowic....
REKLAMA