logo elektroda
logo elektroda
X
logo elektroda
REKLAMA
REKLAMA
Adblock/uBlockOrigin/AdGuard mogą powodować znikanie niektórych postów z powodu nowej reguły.

Watson FA3629 - potrzebny schemat

camilex 28 Lip 2007 15:06 2800 7
REKLAMA
  • #1 4122761
    camilex
    Poziom 11  
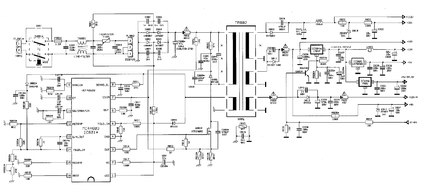
    Poprrzebuję schematu do powyższego telewizora.Chodzi mi zwłaszcza o przetwornicę-BU808DFI,SK2545-bez tranzoptora IC 802-CQY80NG, 11AK20SE-2

    Podaj
    rodzaj , markę i symbol urządzenia w temacie!

    Patrz -- >OGŁOSZENIE 1/pierwsze/ od góry w tym dziale. [hefid]
  • REKLAMA
  • REKLAMA
  • #3 4122829
    camilex
    Poziom 11  
    Szukałem gdzie sie da w internecie nie mogę znaleść chassis-11ak20se-2,podkreślam iz powyższa przetwornica nie posiada tranzoptora.
  • #4 4122878
    CHACA
    Poziom 43  
    A na bazie powyższych schematów nie da się nic zrobić?
  • REKLAMA
  • REKLAMA
  • #6 4127723
    DiZMar
    Poziom 43  
    per4mer napisał:
    Chyba mam coś odpowiedniego:

    https://obrazki.elektroda.pl/99_1185631601.gif[/img]

    Pod powyższym linkiem ukazuje się tylko poniższa psia mordka.

    Watson FA3629 - potrzebny schemat

    Jeżeli pomagasz to rób to tak aby ktoś skorzystał:!:
  • #7 4128094
    tenap
    Spec od TV
    Link działa!!
    Watson FA3629 - potrzebny schemat
REKLAMA