logo elektroda
logo elektroda
X
logo elektroda
REKLAMA
REKLAMA
Adblock/uBlockOrigin/AdGuard mogą powodować znikanie niektórych postów z powodu nowej reguły.

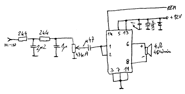
Sub activ na Tda 1554Q-Jaki głośnik?

Stanley121 21 Sie 2007 20:45 1969 6
REKLAMA
  • #1 4201221
    Stanley121
    Poziom 16  
    Witam.

    Mam zamiar wykonać mały subwoofer na kostce TDA1554Q w aplikacji ze strony mdcsa 1*24w...

    Sub activ na Tda 1554Q-Jaki głośnik?

    I tu pojawia sie moje pytanie:

    1. Jakiego głośnika użyć do tej konstrukcji zeby grała mniej wiecej jak subiki w zestawach creativa (ma ona stanowic uzupelnienie kina domowego)?
    2. Jak zasilic ten układ w domu?

    Pozdrawiam
  • REKLAMA
  • #2 4201275
    thebeast
    Poziom 16  
    Transformator z typowym mostkiem prostowniczym i kondensatorami ;) Odradzam układ do domu z takim zasilaniem. Dużo problemów jest. Np przydźwięk, brum itp. Przynajmniej ja miałem takie problemy. Poszukaj czegoś z zasilaniem symetrycznym. Moim zdaniem lepsze rozwiązanie. Np TDA 2052. Moc będzie podobna. Głośnik możesz dać spokojnie Tesle ARN 150. w którymś wątku zresztą też polecany...
  • REKLAMA
  • #3 4201979
    Pawel S.
    Poziom 39  
    ja takie kostki zasilam ze starego zasilacza komputerowego AT i niemam z tym najmniejszego problemu. ARN 150 zapewni odpowiednie zejscie ale z taka moca niema szans na nawetwystarczajaca glosnosc. proponowalbym zrobic kolumienki na ARN 116 i wtedy sub bedzie zbedny (przynajmniej taki maly)
  • #4 4202059
    Stanley121
    Poziom 16  
    Doszedlem do wniosku ze wybralem za słaba kosc...

    Co byscie polecili na naped do suba na stxie 22-120-4-sc?
    Chodzi o cos łatwego w montazu i taniego...
  • REKLAMA
  • #5 4202506
    thebeast
    Poziom 16  
    No to może TDA 7294 ? Przy 4Ω powinien z 70-80W dostarczyć przy dobrym zasilaczu i dostatecznym chłodzeniu ;)
  • REKLAMA
  • #6 4202760
    kborowiec
    Poziom 18  
    A może 2x tda7293 (lub LM4780, LM4732) równolegle? Można dojść nawet do około 160W/4om.
    Jest też kit na 2xtda2030 + 2 pary tranzystorów w mostku, z którego można dostać jakieś 70 W/4om.
  • #7 4202859
    thebeast
    Poziom 16  
    Stanley121 napisał:

    Chodzi o cos łatwego w montazu i taniego...



    Z TDA 7294 nie bedzie miał dużo problemów. A 70W @4Ω z palcem w kalafonii wyciągnie :) Całość to kilka minut roboty, jeśli kupi sobie kit. Albo gotowy moduł...
REKLAMA