Poniżej projekt LED-owego zegara. Oprócz ciekawego wyglądu zegar wybija każdą godzinę.
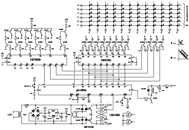
Cały układ oparty jest na procesorze 16F84. Użyty procesor jest trochę przestarzały i wyszedł już z produkcji. Jedynym powodem, dla którego go użyto, był fakt, że po prostu gdzieś był i w ten sposób zrobiono z niego jakiś użytek. Dlatego jeśli chciałby pokusić się o budowę podobnego zegara przydatny okaże się nowszy 16F628, który jest kompatybilny jeśli chodzi o wyprowadzenia i można go także użyć. Ponieważ liczba wejść/wyjść procesora nie była wystarczająca do adresowania, zastosowano w obwodzie układ 74HC563.
Cały schemat przedstawiam poniżej. Pliki źródłowe są do pobrania na stronie autora w formie skompresowanego archiwum
============================================================================
źródło http://members.chello.nl/r.dekker49/ledklok/ledklok.html
Fajne? Ranking DIY
