logo elektroda
logo elektroda
X
logo elektroda
REKLAMA
REKLAMA
Adblock/uBlockOrigin/AdGuard mogą powodować znikanie niektórych postów z powodu nowej reguły.

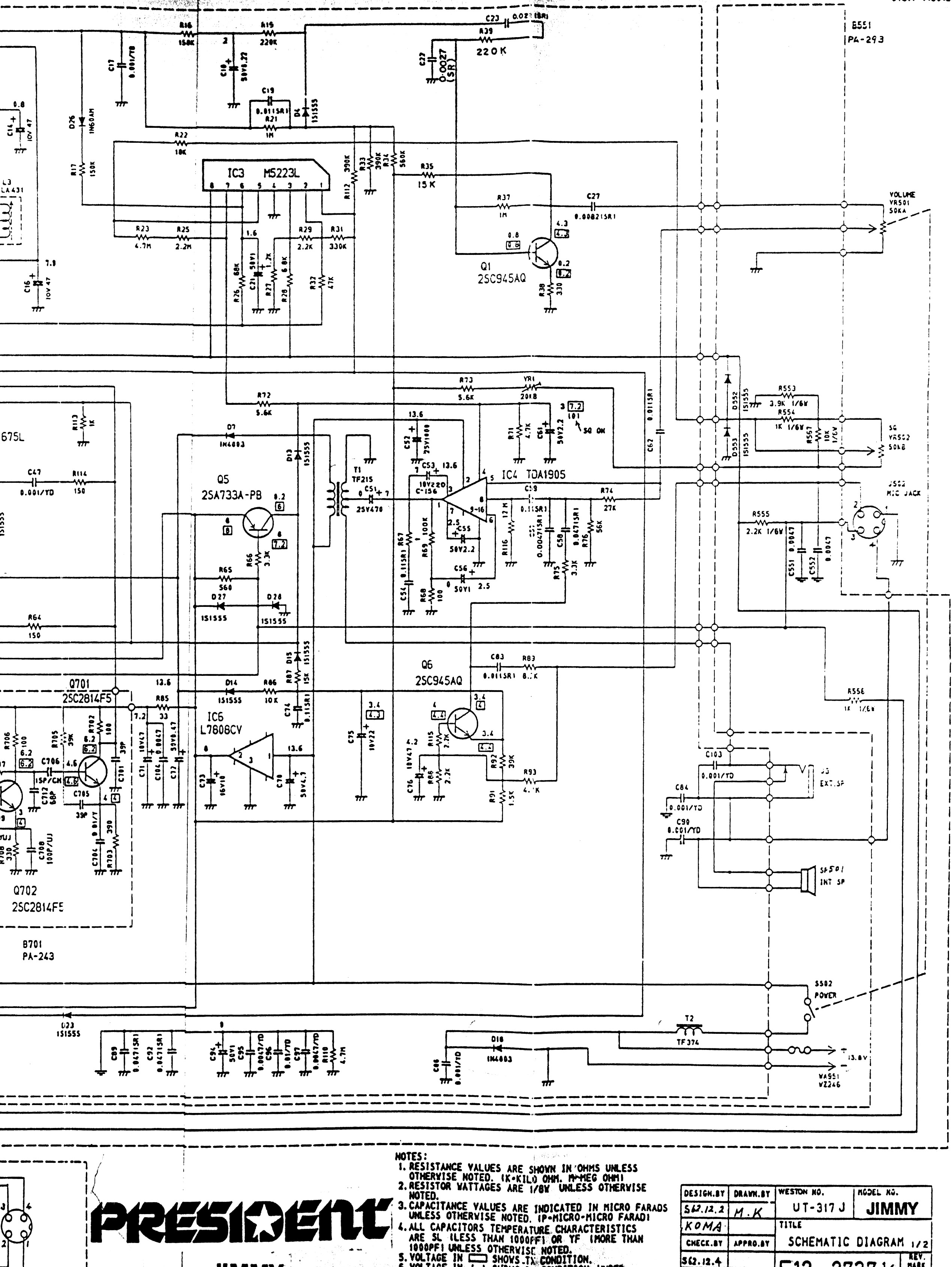
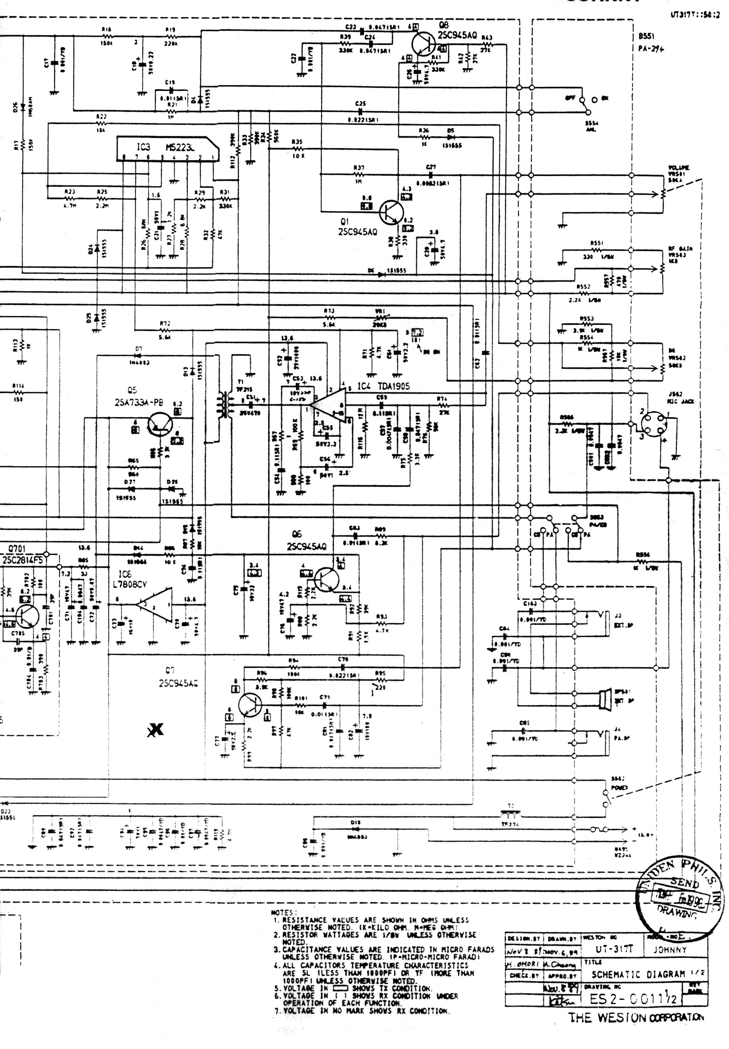
Potrzebny schemat CB President Johnny

stan.krol 02 Wrz 2007 13:06 8477 6
REKLAMA
  • #1 4242557
    stan.krol
    Poziom 10  
    Potrzebny schemat CB President Johnny.
    Tylko proszę nie podawać linku do tego zamieszczonego na Elektrodzie.
    Jest on praktycznie bezużyteczny ze względu na swoją jakość.
    Autorowi skanu służy zapewne jako kopalnia punktów ale ludziom w niczym nie pomaga.
    Pozdrawiam!!!
  • REKLAMA
  • #2 4242599
    _PREDATOR_

    VIP Zasłużony dla elektroda
    Przeniosłem z: Radiotechnika - CB, KF, UKF, TV.
  • REKLAMA
  • REKLAMA
  • #4 4250845
    stan.krol
    Poziom 10  
    Dziękuję za schemat.Jakość jego jest wystarczająca.Mam pewne obawy czy to jest to o co prosiłem gdyż w tabelce podany jest model JIMMY a nie Johnny.
    Pozdrawiam!!!
  • REKLAMA
  • #6 4251007
    stan.krol
    Poziom 10  
    Dziękuję za pomoc. Jutro zabieram się za naprawę.
    Pozdrawiam!!!
  • #7 4251687
    _PREDATOR_

    VIP Zasłużony dla elektroda
    Wszystko wyjaśnione, temat zamykam!
    Jeśli zaistnieje taka potrzeba, by post został otwarty, proszę dać wiadomość na PW i podać link do postu/ tematu/ z uzasadnieniem!
REKLAMA