Czy moglby ktos sprawdzic moje pomiary w celu porownania ?
Z tego co narazie udaîo mi sie zmierzyc to:
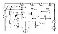
R 1 - 2,794k
R 2 - 13,56k
R 3 - 3,78k
R 4 - 270om
R 5 - 9,13k
R 6 - 2,7k
R 7 - 597om
C 1 -8,7n
C 2 -18n
TR 1 - pnp
TR 2 - npn
TR 3 - npn
D 1 - ?
D 2 - ?
ZD 1 - ?
ZD 2 - ?
postaram sie jescze zmierzyc na jakie napiecie sa diody zenera.
Drobne spostrzezenia:
1. na jakims schemacie spotkalem sie z narysowanym rowniez schematem wewnetrznym tego STK i byla tam mala roznica,
a mianowicie TR 1 byl typu pnp ale Kolektor i Emiter byly zamienione i brak bylo R 3.
2. wedlug moich pomiarow na dwoch egzempalzach tego STK, dioda ZD 2 jest odwrotnie wlaczona niz na rysunku.
w egzemplazu rozebranym przezemnie elementy R 1, R 2, R 3, R 5, R 7 sa napylane na laminat, R 1 wyglada ze jest chyba strojony w procesie produkcji.
R 4, R 6, C 1, C 2 typu SMD, traznystory i diody to same struktury przyklejone do laminatu.
Intersuja mnie opinie i uwagi na ten temat, chcialbym wykonac ten uklad z normalnych elementow.
Z tego co narazie udaîo mi sie zmierzyc to:
R 1 - 2,794k
R 2 - 13,56k
R 3 - 3,78k
R 4 - 270om
R 5 - 9,13k
R 6 - 2,7k
R 7 - 597om
C 1 -8,7n
C 2 -18n
TR 1 - pnp
TR 2 - npn
TR 3 - npn
D 1 - ?
D 2 - ?
ZD 1 - ?
ZD 2 - ?
postaram sie jescze zmierzyc na jakie napiecie sa diody zenera.
Drobne spostrzezenia:
1. na jakims schemacie spotkalem sie z narysowanym rowniez schematem wewnetrznym tego STK i byla tam mala roznica,
a mianowicie TR 1 byl typu pnp ale Kolektor i Emiter byly zamienione i brak bylo R 3.
2. wedlug moich pomiarow na dwoch egzempalzach tego STK, dioda ZD 2 jest odwrotnie wlaczona niz na rysunku.
w egzemplazu rozebranym przezemnie elementy R 1, R 2, R 3, R 5, R 7 sa napylane na laminat, R 1 wyglada ze jest chyba strojony w procesie produkcji.
R 4, R 6, C 1, C 2 typu SMD, traznystory i diody to same struktury przyklejone do laminatu.
Intersuja mnie opinie i uwagi na ten temat, chcialbym wykonac ten uklad z normalnych elementow.