logo elektroda
logo elektroda
X
logo elektroda
REKLAMA
REKLAMA
Adblock/uBlockOrigin/AdGuard mogą powodować znikanie niektórych postów z powodu nowej reguły.

Czy popełniłem znaczący błąd w zwrotnicy?

$taryWyga 29 Wrz 2007 16:12 882 2
REKLAMA
  • #1 4331895
    $taryWyga
    Poziom 12  
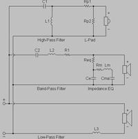
    Chodzi o to że zrobiłem 2 subwoofery i do kazdego z nich mam kolumienki satelitarne. Zaprojektowałem zwrotnice, wszystko gra ok. Subwoofery robiłem wczesniej, w nich jako filtr (pierwszego rzedu) zastosowana jest cewka 2mH. Problem w tym że tą cewke mam na "minusie" za wzmacniacza a nie tak jak powinno być czyli na "plusie" Jak nie wiadomo o co chodzi to załączam screeny:

    Tak powinno być:

    Czy popełniłem znaczący błąd w zwrotnicy?

    A mam tak (chodzi jedynie o szeregową cewke z niskotonowym)

    Czy popełniłem znaczący błąd w zwrotnicy?

    Te cewki są wewnątrz subów, ktorych głośniki juz sa zamontowane na silikonie, do tego umieszczone w podfrezowaniach, wiec proby dotarcia do cewek zakończą sie chyba uszkodzeniem albo glosnika albo obudowy :/
    Wydaje mi sie ze nie robi to roznicy czy te cewki są na tym czy na tym kablu, ale pytam zeby na przyszlosc wiedziec.
  • REKLAMA
  • Pomocny post
    #2 4332245
    Konto nie istnieje
    Konto nie istnieje  
  • #3 4334673
    $taryWyga
    Poziom 12  
    No tak myslalem, ale mialem obawy czy aby pod wzgledem fazy sygnału w stosunku do reszty głośników niskotonowy nie bedzie w takim wypadku przesunięty. Wiec dla pwności zapytałem.
    Dzieki.
REKLAMA