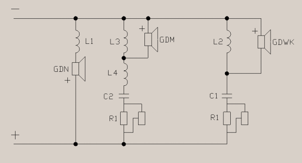
Witam, posiadam dwie zwrotnice wyjęte z kolumn MILDTON 80 i chciałbym wykorzystać je do budowy kolumn podłogowych do kina domowego i muzyki. Chciałbym procić Was o pomoc przy doborze głośników. Na głośniki do jednej kolumny mogę wydać około 100 zł. Jeśli nie da się nic zrobić z tymi zwrotnicami to proszę o ewentualny projekt zwrotnicy do proponowanych głośników. Dołączam schemat tej zwrotnicy. Pozdrawiam.

