Dzisiaj projekt bardziej zaawansowanego poligrafu, częściej nazywanego wykrywaczem kłamstw. Urządzenie ma za zadanie monitorować kilka sygnałów biologicznych w czasie rzeczywistym, takich jak puls, galwaniczna reakcja skóry (GSR), puls krwi i miarowość oddechu. Takie urządzenie często wymaga wyspecjalizowanej osoby potrafiącej odseparować ot zmian sygnału wpływ stresu, aby jednoznacznie określić czy badana osoba kłamie. Dużym problemem takich urządzeń, jest ich cena rozciągająca się od setek do kilku tysięcy dolarów. Poniższy projekt pokazuje, że podobne urządzenie, można stworzyć, za o wiele mniejszą kwotę.
Samodzielnie zbudowany poligraf śledzi puls, GSR, miarowość oddechu, a także wykonuje dyskretną transformację cosinus Fouriera (DCT) na głosie badanej osoby, w nadziei znalezienia odchyleń od podstawowych częstotliwości (kolejny wskaźnik stresu). Wszystkie sygnały są próbkowane, analizowane i wysyłane do komputera w celu przeprowadzanie zaawansowanej analizy w MatLabie. Urządzenie wykorzystuje mikrokontroler AtMega32.
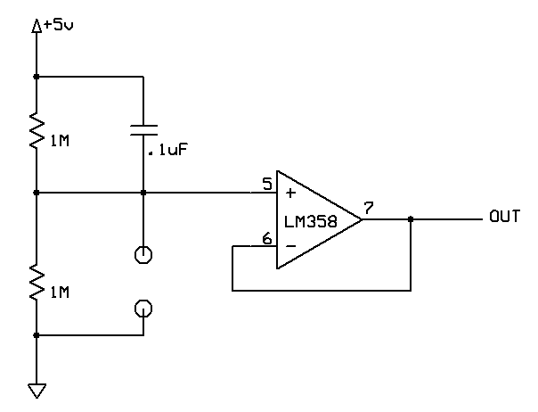
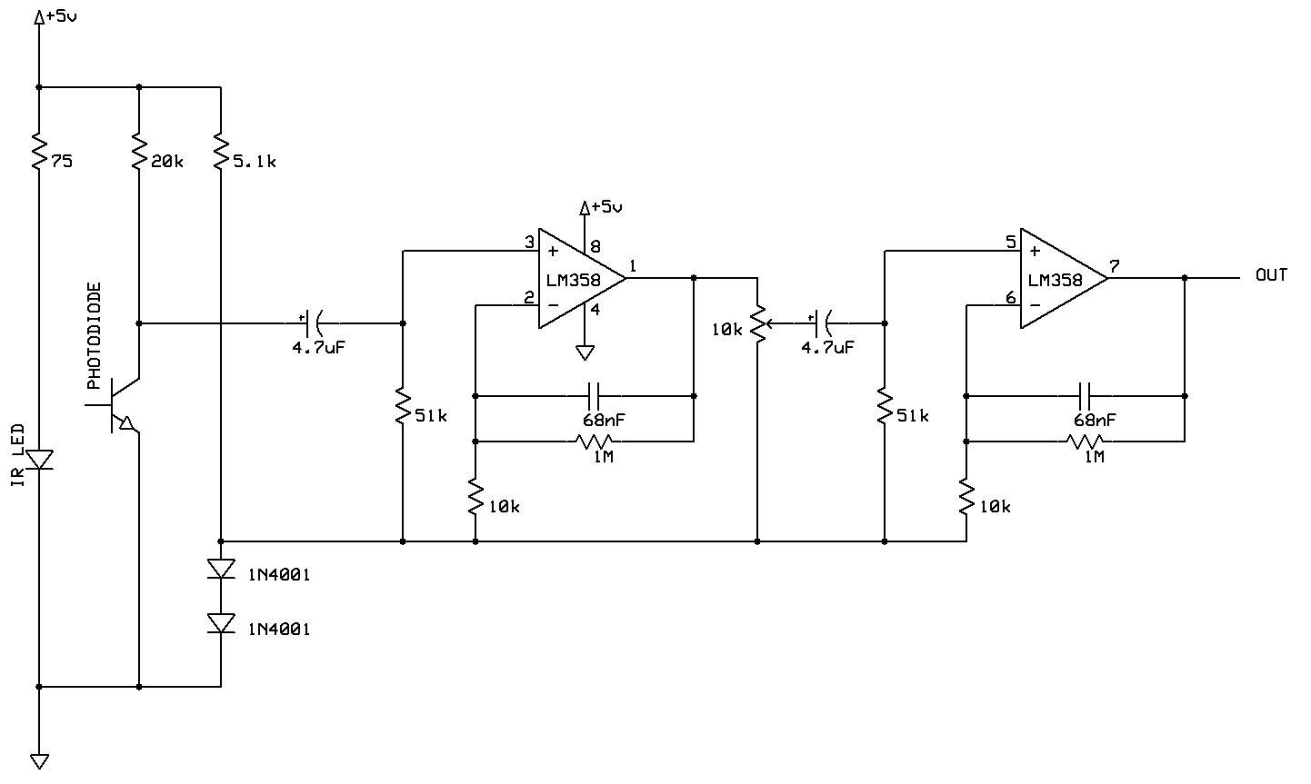
Aparatura pracuje w dwóch trybach. Ponieważ mikrokontroler nie jest w stanie przeanalizować wszystkich sygnały jednocześnie, w pierwszym trybie pracuje, wykorzystując tylko 3 obwody analogowe: puls, miarowość oddechu i GSR. Nie są one próbkowane w czasie rzeczywistym ale w ciągłej pętli, co przy dostatecznej częstotliwości (100Hz) wystarcza aby uzyskać efekt bardzo zbliżony do analizy w czasie rzeczywistym. W drugim przypadku analizowany jest tylko sygnał mowy z częstotliwości próbkowania 8kHz.
Schematy poszczególnych układów analogowych i zdjęcia z analizy zamieszczam poniżej. Kody źródłowe programów są jednak dostępne na stronie źródłowej. Na stroni9e znajduje się też bardzo rozbudowany i szczegółowy opis pracy poszczególnych obwodów analogowych i wskazówki przy projektowaniu poligrafu.
źródło http://instruct1.cit.cornell.edu/courses/ee47...ts/s2007/jsc59_ecl37/jsc59_ecl37/report2.html
Fajne? Ranking DIY
