logo elektroda
logo elektroda
X
logo elektroda
REKLAMA
REKLAMA
Adblock/uBlockOrigin/AdGuard mogą powodować znikanie niektórych postów z powodu nowej reguły.

[JAK WYKONAĆ] Tor świetlny jako detektor ruchu

malisz182 14 Sty 2008 17:42 1604 2
REKLAMA
  • #1 4693721
    malisz182
    Poziom 12  
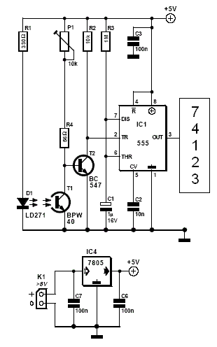
    Mam takie pytanko, potrzebuje zrobić detektor ruchu w rynience. Ma w niej przelecieć kuleczka i dać sygnał na licznik 74123.

    Ma to wyglądać mniej więcej tak:

    ---|>--- <- dioda LED / Laserowa
    ↓↓

    __(_)____ <- piłeczka ;)

    ↓↓
    ---|>--- <- fotodioda
    ||
    [74123]

    Jestem raczej początkujący wiec proszę o wyrozumiałość.
    Czy działało by po prostu coś takiego: ??

    EDIT:

    [JAK WYKONAĆ] Tor świetlny jako detektor ruchu

    Znalazłem coś takiego dało by rad ??

    Proszę o pomoc.
  • REKLAMA
  • #2 4693742
    daduszeryf
    Poziom 28  
    Cześć.Jak chcesz bardzo prosto to po prostu zamontuj mikro włącznik.Kuleczka naciśnie blaszkę i da impuls.
  • #3 4693750
    malisz182
    Poziom 12  
    lipa tak być nie może, za szeroka rynienka i nie ma bata żeby zawsze wcisnęła nachylenie jest na tyle małe ze boje sie ze nie wciśnie jakiejś "szerszej blokady"
REKLAMA