logo elektroda
logo elektroda
X
logo elektroda
REKLAMA
REKLAMA
Adblock/uBlockOrigin/AdGuard mogą powodować znikanie niektórych postów z powodu nowej reguły.
REKLAMA
  • Podręczna gra Mancala
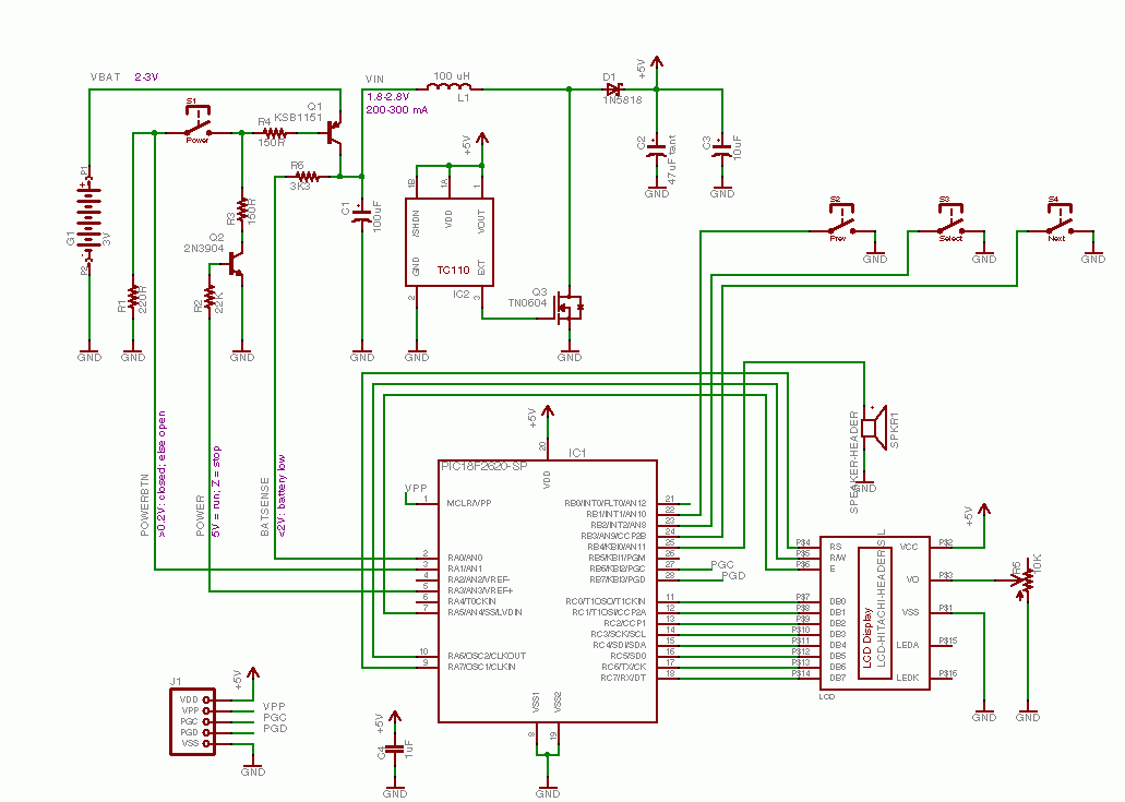
    Poniżej elektroniczna afrykańskiej gry mancala. Ma ona kilka wariantów, a jej zasady można znaleźć na wikipedii. Dla niektórych, ta gra może być znana jako batumi - gra, która była dostępna na telefonach nokia 3110. Gra wykorzystuje mikrokontroler serii PIC16F i wyświetlacz LCD 2x16.
    W grze wykorzystano dosyć prosty program. Przeciwnik wykorzystuje trzy definicje:

    - kubeczki ponumerowane sa zgodnie z ruchem wskazówek zegara (najmniejsza wartość jest najbliżej właściciela)
    - pełny kubeczek ma ten sam numer co liczba znajdujących się w nim ziaren.
    - Przepełniony kubeczek zawiera więcej ziaren niż wynosi jego numer kubeczka
    - W pełni napełniony kubeczek ma liczbę ziaren o 7 większą niż numer jego kubeczka (albo i więcej)

    Zasady postępowania są takie:
    1. Zagraj najniższym numerem w pełni zapełnionym albo w pełni napełnionym jeśli to możliwe
    2. W przeciwnym wypadku zagraj przepełnionym kubeczkiem o najniższym numerze jeśli to możliwe
    3. W przeciwnym wypadku zagraj kubeczkiem o najwyższej liczbie, zawierającym przynajmniej jedno ziarno.

    W przyszłości urządzenie ma być rozwinięte o funkcje:

    - Odczytywanie innych gier niż mancala
    - ulepszyć grę
    - umożliwić różne typy gry mancala
    - dodać opcje cofnij, statystyka, zapisz/odczytaj
    - zmienić obudowę

    Podręczna gra MancalaPodręczna gra MancalaPodręczna gra Mancala

    Podręczna gra MancalaPodręczna gra Mancala

    Podręczna gra Mancala





    źródło http://timothyweber.org/mancala

    Fajne? Ranking DIY
    O autorze
    mi_ma
    Tłumacz Redaktor
    Offline 
    Specjalizuje się w: elektronika wojskowa
    mi_ma napisał 831 postów o ocenie 809. Mieszka w mieście Wrocław. Jest z nami od 2006 roku.
  • REKLAMA
  • #2 4739103
    piasek1990
    Poziom 19  
    Przypomina sie stara poczciwa nokia 3310 ehh...
    Wszystko fajnie tylko gdyby ta obudowa nie była przezroczysta, jakos tak psuje efekt
  • REKLAMA
  • #3 4739125
    maziu
    Poziom 18  
    dodam ze ta gra jest dostępna także na modelach 3310 i 5510 :P ale niestety nie jest tak pasjonująca jak snake 2 :P a właśnie że fajnie że przeźroczysta , wielki + z tego powodu.

    Pomysł ciekawy i tylko tyle :P . Pozdrawiam
  • #4 4739238
    michal.rogaczewski
    Poziom 28  
    A wielki - za tego breadboard-a zamiast płytki. nie dość że są drogie to jeszcze wielkie ale zrobić to sobie chyba zrobie ;]
REKLAMA