Analizator logiczny jest dosyć przydatnym narzędziem przy rozwijaniu i wyszukiwaniu błędów. Szczególnie znajduje zastosowanie wszędzie tam, gdzie używane są szybkie układy logiczne z masą sygnałów, których współzależności muszą być zweryfikowane i przetestowane. Analizator logiczny działa jako rekorder dla sygnałów cyfrowych. W trakcie określonego czasu stany kilku obserwowanych sygnałów mogą zostać nagrane i zapisane do pliku. Pewne zdarzenie może zostać przypisane jako start nagrywania.
Nagranie może być odczytane później, może zostać powiększone, przewijane itp.
cechy urządzenia:
- obsługa na win95, win98, winME
- obsługa na win2000, winNT, winXP
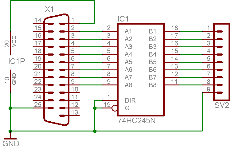
- obsługa przez port równoległy (ECP)
- obsługa do ośmiu kanałów
- próbkowanie do miliona próbek na sekundę (zależne od sprzętu)
- nagrywanie do 32768 próbek
- zapis/odczyt z dysku
Program obsługujący do ściągnięcia na stronie źródłowej
Źródło http://www.xs4all.nl/~jwasys/old/diy2.html
Fajne? Ranking DIY

