logo elektroda
logo elektroda
X
logo elektroda
REKLAMA
REKLAMA
Adblock/uBlockOrigin/AdGuard mogą powodować znikanie niektórych postów z powodu nowej reguły.

Tester obrotów wentylatora komputerowego

mi_ma 01 Lut 2008 19:29 10219 17
REKLAMA
  • Tester obrotów wentylatora komputerowego

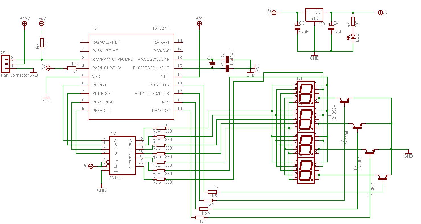
    Projekt oparty na mikrokontrolerze PIC. Jak wielu wie,
    PC sam jest w stanie dokładnie zmierzyć prędkość obrotów i wyświetlić go w jakiejś Windowsowej aplikacji albo po prostu można odczytać ją w BIOSie gdy komputer się uruchamia.

    Jednak autor zbudował urządzenie samodzielne mogące mierzyć wentylatory, be potrzeby montowania ich w komputerze na potrzeby znajomego. I tak powstał na bazie PIC16F627 Tester prędkości obrotów wentylatora. Wartość jest wyświetlana w obrotach na minutę na czterech wyświetlaczach siedmio-segmentowych, jak widać na rysunku.

    Na zdjęciu widać przykładowy mały wiatraczek osiągający prędkość ponad 5000 obrotów na minutę (dokładnie 5109), co nie jest takim złym wynikiem jak na jego rozmiar. Kod źródłowy do programu dostępny na stronie źródłowej.

    Tester obrotów wentylatora komputerowego
    Tester obrotów wentylatora komputerowego


    Źródło http://www.geocities.com/dariuskrail20/fantester.html

    Fajne? Ranking DIY
    O autorze
    mi_ma
    Tłumacz Redaktor
    Offline 
    Specjalizuje się w: elektronika wojskowa
    mi_ma napisał 831 postów o ocenie 809. Mieszka w mieście Wrocław. Jest z nami od 2006 roku.
  • REKLAMA
  • #2 4760252
    DUD3K
    Poziom 19  
    mi_ma napisał:
    [img]"osiągający prędkość ponad 5000 obrotów na minutę (dokładnie 5109), co nie jest takim złym wynikiem jak na jego rozmiar


    To chyba jasne ze im mniejszy wiatraczek tym sie szybciej kreci, nie widze w tym nic szokujacego ;).
  • #3 4760284
    gregrzesiek
    Poziom 14  
    Bardzo ciekawy projekt, zawsze zastanawiało mnie czy da się i jak odczytać dane które wentylator przesyła dodatkowym przewodem :D
  • REKLAMA
  • #4 4760362
    DjExit
    Poziom 23  
    gregrzesiek napisał:
    Bardzo ciekawy projekt, zawsze zastanawiało mnie czy da się i jak odczytać dane które wentylator przesyła dodatkowym przewodem :D

    To żadne dane, po prostu na tym dodatkowym przewodzie pojawia się "1" co 2 (czasami co 1) obrót wiatraczka. Dopiero mikroklocek musi zmierzyć ilość tych imulsów w czasie i wygenerować wynik ;)
  • REKLAMA
  • #5 4760437
    slavo666
    Poziom 23  
    DjExit napisał:

    To żadne dane, po prostu na tym dodatkowym przewodzie pojawia się "1" co 2 (czasami co 1) obrót wiatraczka. Dopiero mikroklocek musi zmierzyć ilość tych imulsów w czasie i wygenerować wynik ;)

    To chyba nawet czujnik hallotronowy. Obsługa takiego to dość prosta rzecz. Trochę projekt na wyrost, ale z nudów czasem głupsze rzeczy się robi :)
  • #6 4760516
    Karol966
    Poziom 31  
    Witam, program sterujący napisany w asemblerze :)
    Nie wygląda na skomplikowany. Może projekt trochę na wyrost ale może przydać się do innych urządzeń, np pomiar prędkości obrotowej wałka przekaźnika przy traktorze.
  • #7 4760517
    adass
    Poziom 25  
    Właśnie takie coś potrzebuje. Podany link mi nie działa .
  • #8 4760623
    lord_blaha
    Poziom 33  
    Cytat:
    web site you were trying to view has temporarily exceeded its data transfer limit. Please try again later.

    może dlatego;]
    projekt strasznie użyteczny, poza tym wreszcie można będzie sprawdzić prawdziwość parametrów zamieszczanych na naklejkach ;D
  • #10 4761021
    Traker Wymiatacz
    Poziom 14  
    ciekawy pomysł, można by takie cus zamontowac w samolocie rc i sprawdzac czy silnik dobrze ciągnie
    pozdro
  • #11 4761376
    Meeshell
    Poziom 11  
    raczej nie.. Chyba ze zamontujesz czujnik halotronowy gdzies na smigle.
  • #12 4761741
    bynajmniej
    Poziom 11  
    te strony z geocities ostatnio nie działają... a szkoda

    bo ja jestem ciekaw co zostało zamontowane jako czujnik obortów (może czujnik pola magn. + malutki magnesik ?)
  • REKLAMA
  • #13 4762438
    oj
    Poziom 42  
    Wykorzystano sygnał obrotów z wentylatora, który jest dostępny prawie w każdym wentylatorze.

    Można też czujnik zrobić na transoptorze szczelinowym; na halotronie
  • #14 4762967
    rzerzuch
    Poziom 14  
    A widział może ktoś podobny projekty z ta różnicą żeby prędkość była wyświetlana na wyświetlaczu LCD??
  • #16 4764210
    duziorek
    Poziom 13  
    Mam pytanie tylko proszę mnie nie wyśmiać...
    Nie znam się WOGÓLE na mikrokontrolerach ale chciałbym się niedługo za to wziąść a więc mam pytanie ile kosztuje zrobienie tego układu oraz ile kosztuje samodzielne złożenie programatora (tzn. same części) Pozdrawiam!
  • #17 4764238
    oj
    Poziom 42  
    Programator może wyglądać tak:
    http://radzio.dxp.pl/picprog/

    Koszty elementów są bardzo zróżnicowane, gdzie się je kupi. Przesyłka nieraz kosztuje 50% wartości zamawianych elementów.
  • #18 7247623
    slyszu
    Poziom 10  
    Fajny projekcik, ale czy któś mógłmy mi powiedzieć (albo wskakać miejsce gdzie szukac), jak przerobić ten projekt aby poprawinie zliczaćobroty silnika ale zasilanego z PWM? Czy kondensator wpięty pomiedzy zaciski zasilania wentylatora załatwi sprawę?
REKLAMA