Witam,
Posiadam wzmacniacz Kenwood KA-5040R wszystko jest OK, lecz męczy mnie jego częstotliwość podbijania niskich częstotliwości. Poruszając gałką zmienia się częst. w okolicach 100Hz, efekt ten mi się bardzo nie podoba. Chciał bym, by ktoś mi pomógł, powiedział, czy można zmienić częst. regulacji na 50Hz, lub 60Hz ? Może trzeba zmienić jakieś kondensatory w przedwzmacniaczu? A są charakterystycznie poustawiane wokół potencjometrów...
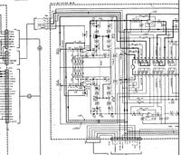
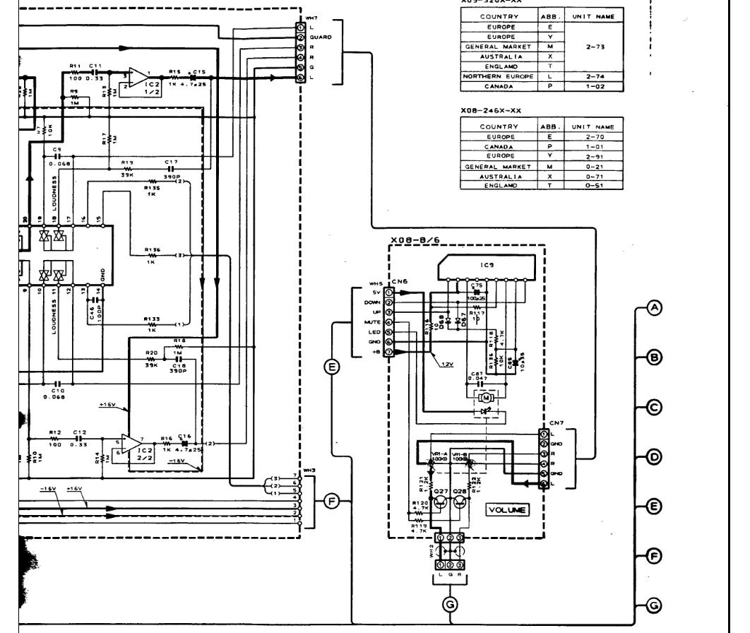
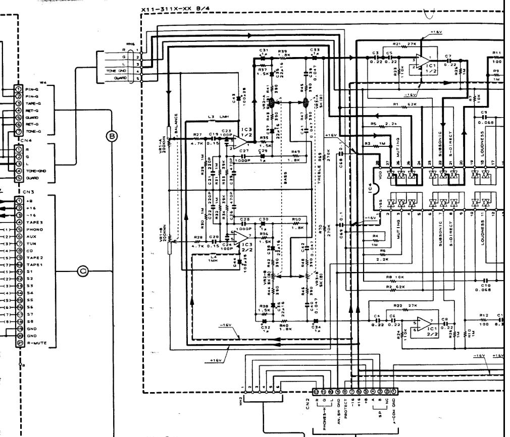
Zamieszczam schemat całego PREAMPA tego wzmacniacza.
Jeżeli ktoś udzieli odpowiedzi, pomoże mi, wynagrodzę mu to! Oddam kilkadziesiąt, kilkaset punktów jeżeli sobie tego zażyczy! Proszę mi tylko powiedzieć jak to zrobić
Jeżeli komuś będzie trzeba do udostępnie schemat w znacznie wyższej roździelczości w formacie *.djvu.
Pozdrawiam
Posiadam wzmacniacz Kenwood KA-5040R wszystko jest OK, lecz męczy mnie jego częstotliwość podbijania niskich częstotliwości. Poruszając gałką zmienia się częst. w okolicach 100Hz, efekt ten mi się bardzo nie podoba. Chciał bym, by ktoś mi pomógł, powiedział, czy można zmienić częst. regulacji na 50Hz, lub 60Hz ? Może trzeba zmienić jakieś kondensatory w przedwzmacniaczu? A są charakterystycznie poustawiane wokół potencjometrów...
Zamieszczam schemat całego PREAMPA tego wzmacniacza.
Jeżeli ktoś udzieli odpowiedzi, pomoże mi, wynagrodzę mu to! Oddam kilkadziesiąt, kilkaset punktów jeżeli sobie tego zażyczy! Proszę mi tylko powiedzieć jak to zrobić
Jeżeli komuś będzie trzeba do udostępnie schemat w znacznie wyższej roździelczości w formacie *.djvu.
Pozdrawiam