logo elektroda
logo elektroda
X
logo elektroda
REKLAMA
REKLAMA
Adblock/uBlockOrigin/AdGuard mogą powodować znikanie niektórych postów z powodu nowej reguły.

Chcę dorobić wejście AUX w kaseciaku

29 Lut 2008 21:08 7650 7
REKLAMA
  • #1 4859926
    Konto nie istnieje
    Konto nie istnieje  
  • REKLAMA
  • Pomocny post
    #2 4859999
    wasylwek
    VIP Zasłużony dla elektroda
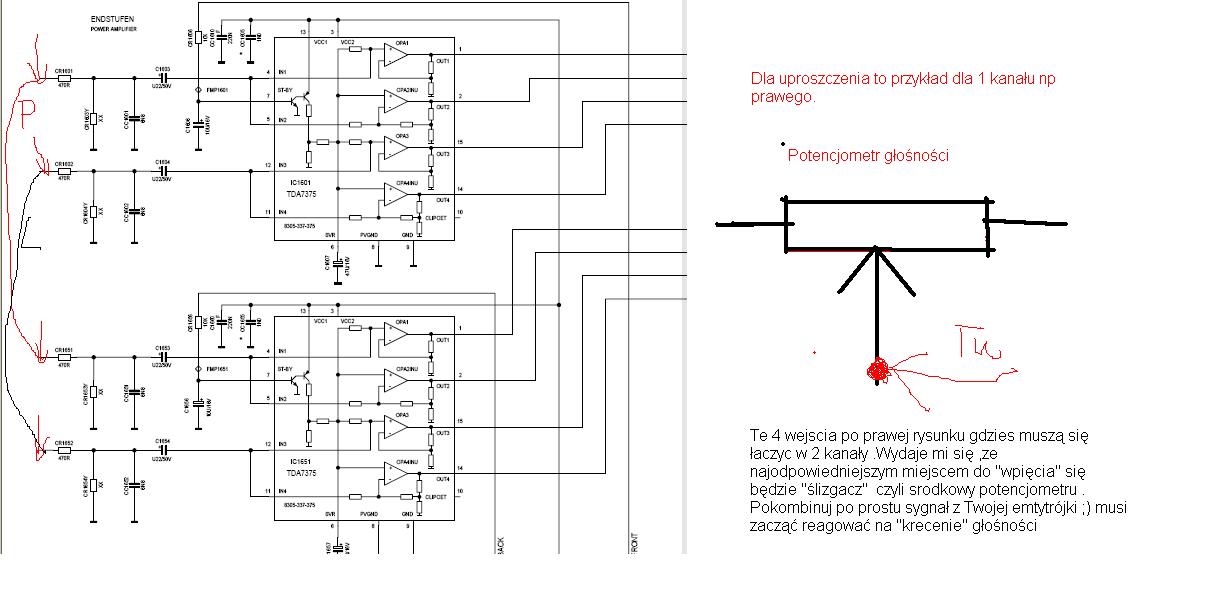
    Bez schematu niewiele pomożemy , wstaw jakis kawałek schematu (najlepiej zawierający droge od potencjometrów do końcówki mocy) i coś się wymyśli.
    pozdrawiam
  • REKLAMA
  • #3 4860037
    Konto nie istnieje
    Konto nie istnieje  
  • REKLAMA
  • Pomocny post
    #4 4860219
    wasylwek
    VIP Zasłużony dla elektroda
    Powinienes sobie z tym poradzić . Lutownica w dłoń ( nie zapomnij o tym zeby przylutować lewy i prawy kanał i oczywiście masę jako wspolny dla obu kanałów) najlepiej mase do obudowy.
    Powodzenia.
    EDIT:
    Oczywiscie w screenie wkradł sie błąd nie ma byc w moim opisie po PRAWEJ rysunku . Tam gdzie z lewej nabazgroliłem czyli po LEWEJ, LEWA (juz mi sie nie chciało malunku zmieniac.
    Chcę dorobić wejście AUX w kaseciaku
  • Pomocny post
    #5 4860402
    dr.samoZŁO
    Poziom 13  
    są takie kasetki-adaptery do kupienia na aukcjach internetowych, polega to na tym, ze wsadzasz kasetke, z której wystaje przez otwór kabelek, którym wysylasz sygnal (z mp3, laptopa itp.), w srodku natomiast wygląda to tak, że zamiast taśmy, mamy styki, które dotykają głowicy i przekazują sygnał na wzmacniacz. Miałem okazje testowac to urządzonko przez kilka dni, i dzwięk był jak z radia MP3. Pozdrawiam
  • #6 4860890
    Konto nie istnieje
    Konto nie istnieje  
  • REKLAMA
  • #7 6700610
    mm150
    Poziom 18  
    Witaj ja mam to zrobione juz w swojej brawie 1,4 i gra super -musisz podlączyc przewód ekran z mini jackiem do masy radia przy potencjometrze (grube ścieżki) a dwa przewody bialy i czerwony z mini jacka na prawe końcowki potencjometru sily glosu ,to cala praca.a jak gra!!!! powodzenia i pozdrawiam wszystkich :D

    w razie problemów pisz na GG 4338505
  • #8 6700647
    cirrostrato
    Poziom 38  
    Mój straszy syn nałogowo takie coś kumplom robi,trzeba dodać mały podwójny przełącznik przed potencjometrem i jakieś gniazdo,przełącznik albo łączy sygnał z radia/magnetofonu na potencjometr(czyli jak jest obecnie)albo z tego gniazda na potencjometr.Wszyscy potem podłączają te odtwarzacze MP3.
REKLAMA