logo elektroda
logo elektroda
X
logo elektroda
REKLAMA
REKLAMA
Adblock/uBlockOrigin/AdGuard mogą powodować znikanie niektórych postów z powodu nowej reguły.

Astra F 1.4 elektryczne szyby.

IoNcs 05 Mar 2008 16:32 30948 32
REKLAMA
  • #1 4876733
    IoNcs
    Poziom 15  
    Witam.

    Kupiłem oryginalny komplet do szyb elektrycznych (tj. siłowniki, wiązki, przełączniki)
    Po podłączeniu tego nie działają szyby tak jakby nie bylo zasilania.
    Z tego co zauważyłem to liczba wyjść z kostki od samochodu przy drzwiach jest mniejsza niz ta w nowej wiązce od szyb.
    Czy posiadacie schemat seryjnych szyb do Astry F ?
    Czy auto bez elektrycznych szyb może nie mieć wyprowadzonego zasilania na takie szyby?
    Czy można je dołożyć?
    Czy to może być inny problem ?
  • REKLAMA
  • REKLAMA
  • #3 4877134
    IoNcs
    Poziom 15  
    hmmm...a czy mógłbyś mi podać ten schemat ? bo cos nie teges....
  • #5 4879007
    IoNcs
    Poziom 15  
    no i tak: wszystko działa...
    Teraz mam do Was takie pytanie: skąd najlepiej podciągnąć zasilanie do tej kości w drzwiach ?
  • #7 5216761
    jarzab11
    Poziom 1  
    adam7009 napisał:
    czarny kabel do plusa,jak nie zadziała to mogę schemat podesłac.


    ja mam znów inny problem, nie działa mi opuszczanie przedniej prawej szyby, zdemontowałem włącznik, dałem inny z 4 kablami (miałem z 6) trochę inaczej to musiałem podłączyć.

    Podnoszenie działa, ale opuszczanie potwornie wolno, jakby silnik nie miał siły opuścić, przy tym mam wrażenie, że zużywa to masę prądu bo jakby wszystko przygasa. Szczerze to nie wiem co mam zrobić, jeśli dam stary włącznik to nic nie działa.

    Po podłączeniu włącznika z 4 przewodami nie działa też sterowanie prawą szybą z konsoli od kierowcy.
  • REKLAMA
  • #8 5461696
    CyberDuck
    Poziom 12  
    A ja mam dalej kontynuujac inne pytanie.

    Po stronie kierowcy poniewaz i tak jest jeden przelacznik do jednej szyby
    zeby ja poruszyc wystarczy odpowiednie wejscie polaczyc do +12V
    samochodu. Natomiast po stronie lewej szyba ma przelaczniki
    przeciwsobne. To znaczy ze jesli dla przykladu po stronie kierowcy
    nacisnie sie szyba w dol a po stronie pasazera nacisnie sie szyba w gore
    dla tej samej szyby to nic sie niestanie. Szyba poprostu stanie w miejscu.
    Jak podac impuls w dowolne miejsce zeby szyba poruszyla sie w gore
    lub w dol ?

    Chodzi o to ze zrobilem uklad sterowania szybami na
    mikrokontrolerze, ktory umozliwia dolozenie kilku opcji w sterowniu szyb :
    1. Zamkniecie szyb z pilota.
    2. Zamkniecie szyb z czujnika deszczu
    3. Po stronie pasazera szyba otrzymala dodatkowo opcje jak w szybie
    od strony kierowcy. To znaczy ze jesli przytrzyma sie przycisk dluzej niz
    1 sek to szyba zaczyna ruch staly do jej calkowitego otwarcia lub
    zamkniecia.
    4. Uklad sie sam wylacza po wykonaniu odpowiednich czynnosci, a jesli
    nic sie niedzialo przez godzine to tez sie wylacza.
    5. Domykanie tyczy sie tez szyberdachu.

    Wszystko pracuje bardzo ladnie, ale tylko po stronie kierowcy. Poprostu
    przyciski wykorzystalem do sterowania, podania impulsow do mojego
    ukladu, a dopiero moj uklad steruje reszta bo wystarczylo podac dodatni
    impuls na wejscie sterowania szybami. Jak to samo zrobic po stronie
    pasazera ?
  • #9 5467743
    CyberDuck
    Poziom 12  
    Poradzilem sobie inaczej.
    Poniewaz chcialem dolozyc sterowanie szybami z mikrokontrolera to niestety muslalem nieco przebudowac uklad polaczen w
    samochodzie, ktory wyglada teraz tak :

    Astra F 1.4 elektryczne szyby.

    Uklad dziala bardzo prosto.
    Silnik jest zasilany poprzez 2 przekazniki. Jesli sie zalaczy jeden z nich
    to prad poplynie tak ze silnik zacznie pracowac w jedna strone, a jesli
    zasili sie drugi przy wylaczonym przekazniku pierwszym silnik zacznie
    sie obracac w druga strone co sie przeklada na ruch szyby w jedna
    lub druga strone.
    Jesli sie poda impuls na oba przekazniki to szyba bedzie stala podobnie
    jak w wypadku kiedy wogoe niepodajemy na przekazniki zasilania.
    Ten sposob zasilania silnika pozwolilo mi na podlaczenie dowolnej ilosci
    przelacznikow sterujacych ruchem szyby, ale mnie chodzilo o cos innego.
    Chodzilo mi o to zeby moznabylo sterowac szybami za pomoca
    zaprojektowanego przezemnie ukladu mikroprocesorowego.
    Calosc jest juz zmontowana i dziala w samochodzie.
    Uklad pelni role :
    1. Sterowania szyba po stronie kierowcy.
    2. Sterowania szyba po stronie pasazera, ale w odroznieniu od strony
    kierowcy mozna nia sterowac tak jak po stronie kierowcy.
    Chodzi dokladnie o to ze jesli po stronie kierowcy nacisnie sie krotko
    przycisk w gore lub w dol to szyba ruszy sie o odpowiedni odcinek
    w zadanym kierunku, ale jesli sie przytrzyma nieco dluzej przycisk w gore
    lub w dol to szyba zaczyna ruch staly w zadanym kierunku. Przycisniecie
    dowolnego przycisku ponownie anuluje ten ruch.
    Niestety szyba po stronie pasazera jest pozbawiona tej opcji, ktora w
    moim wypadku przejmuje mikrokontroler.
    3. Zamykanie szyb z pilota do samochodu od centralnego zamka.
    U mnie w pilocie sa trzy przyciski. Podlaczajac pilota dwa wykorzystalem
    do centralnego zamka, a trzeci ktory byl przeznaczony do sterowania
    bagaznikiem wykorzystalem do zamykania szyb, ale nic niestoi na
    przeszkodzie zeby to samo zrobic na pilotach z dwoma przyciskami.
    Jesli po zamknieciu samochodu na przyklad przycisnie sie jeszcze raz
    przycisk zamkniecia to zamkna sie szyby.
    4. Zamykanie szyb z czujnika deszczu jesli jest wylaczony zaplon.
    5. Uklad samoczynnie wylacza sie calkowicie po uplywie godziny.
    6. Po zamknieciu szyb z pilota lub z czujnika deszczu uklad wylacza sie
    calkowicie dla ograniczenia poboru pradu, ktory i tak jest znikomy.
    7. Domykanie szyberdachu z pilota i czujnika deszczu tak samo jak szyb.

    Narazie calosc testuje, ale zapowiada sie calkiem fajnie. Poza
    nieznacznymi poprawkami w programie uklad dziala znakomicie.
    Poprawki tycza sie raczej dopasowania czasu przycisniecia przyciskow, czy
    tez czasu zamkniecia szyb i reakcji na ponowne przycisniecie przycisku w
    druga strone. W kazdym razie oplacalo sie wlozyc troszke pracy :)
    W przerobce pomogly mi zamieszczone tutaj schematy za co dziekuje.
  • #10 5596908
    kubekg.g
    Poziom 2  
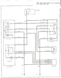
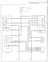
    Mam prosbe czy ktos moze dac oznaczenie na tych schmematów co dana jednosta cyfrowa daje-czemu odpowiada? Chodzi mi takie jak S178,M24, M34, S466 , A4239, A 268 i na drugim schemacie S 761. Pozdrawiam i z góry Dziękuje.
  • #11 5596960
    CyberDuck
    Poziom 12  
    S to sa przelaczniki. Numery nie maja znaczenia. Ten z wieksza iloscia
    stykow jest umieszczony po stronie kierowcy.
    M to sa silniki lub modul z silnikiem.
    Ten z literka A to jest bezpiecznik, a raczej modul z ktorego jest
    pobierane zasilanie.
  • #12 5597906
    kubekg.g
    Poziom 2  
    DZIEKI CyberDuck.Teraz pytanie z innej alepodobnej beczki. Czy jest mozliwosc podpiecia elektrycznych szyb nie majac orygilnaych plastikowych wejsc w przednich słupkach? mam podnosniki itd ale nie mam tych plastików z wiazką na elektryczne szyby itd? Znaczy plastiki mam ale bez odp. ilosci wiązek. Pozdrawiam:D
  • #13 5597931
    CyberDuck
    Poziom 12  
    No ja zebym mogl dodac troszke elektroniki sterujacej niemontujac
    jej w drzwiach, tylko w kabinie musialem wywiercic dodatkowe otwory.
    Normalnie w drzwiach jest umieszczone gniazdo, a w slupku wtyczka.
    Taki patent jest stosowany w razie jesli zaszlaby potrzeba
    zdjecia drzwi z zawiasow. Wtedy odpinasz wtyk i drzwi spokojnie
    mozna zdjac w calosci. W przeciwnym wypadku pozostaje przeciecie
    przewodow i pozniejsze ich laczenie. Ja raczej juz nie bede zdejmowac
    drzwi wiec poprowadzilem wiazke poprzez dodatkowe otwory, ale
    wczesniej otwory zabezpieczylem gumowymi wkladkami tak zby
    krawedzie blachy nieprzecinaly mi izolacji przewodow. Widaomo czym
    to sie moze skonczyc po jakims czasie.
  • REKLAMA
  • #14 7253976
    p3m
    Poziom 2  
    panowie mam takie pytanie : czy w astrze F silnik o oznaczeniach C14SE w drzwiach przednich kierowcy do szyb elektrycznych jest oddzielna "puszka" czy jest to ta sama puszka co od zamka centralnego ?
  • #15 7257417
    CyberDuck
    Poziom 12  
    Osobna. Do szyb nie ma puszki. Przynajmniej u mnie tak bylo.
    Sterownik byl zintegrowany i jest z silnikiem ...
  • #16 7259264
    p3m
    Poziom 2  
    mam jeszcze jedno pytanie odnośnie montażu szybek elektrycznych. chciałbym sprawdzić czy siłowniki są sprawne ale nie chce rozkładać tapicerki... czy jest jakaś inna opcja żeby to sprawdzić..? chodzi mi o same siłowniki.
  • #17 7262865
    CyberDuck
    Poziom 12  
    Z lewej strony, znaczy od strony kierowcy, a przynajmniej u mnie tak
    bylo, silowniki sa zintegrowane ze sterownikiem i nie ma innej mozliwosci
    jak poprostu jego zasilenia i podania impulsow na przyciski sterujace.
    Sterownik podejmuje tam decyzje co zrobic z szybami w zaleznosci od ich
    pozycji i dlugosci przycisniecia przycisku. Dluzsze przycisniecie wlacza
    ruch szyby juz bez koniecznosci trzymania przycisku do calkowitego
    otwarcia lub zamkniecia szyby.

    Z prawej strony bylo u mnie inaczej. Silownik byl pozbawiony sterownika i
    wystarczylo go zasilic. Mozesz sprobowac wyjac przycisk z tapicerki i
    podac jeden biegun na srodkowy styk przycisku, a drugi biegun na
    przewod do, ktorego znajdziesz styk w drzwiach, ale od razu mowie, ze
    niezle sie go naszukasz. Mozesz sprobowac miernikiem zwarcia miedzy
    wspomnianym stykiem przycisku i jednym ze stykow w zlaczce drzwi.
    Kierunek zmienia sie poprostu poprzez zmiane polaryzacji.

    Ja bym Ci radzil jednak zdjecie tapicerki. To nie jest wcale takie trudne.
    Szejsc srub, pozniej fiolia i wszystko Masz na wierzchu. Sprawdz tez
    stan wtykow polaczeniowych w drzwiach. Widac je po otwarciu drzwi.
    Opel pomyslal i w tym miejscu. Zdjecie drzwi nie wymaga odlanczania
    wszystkiego tylko wystarczy ten wtyk odkrecic i wyjac i juz mozna cale
    drzwi bez problemu odstawic na bok.
    W zaleznosci od tego w co jest wyposazona Twoja Astra to bedzie tam
    rozna ilosc stykow czynnych. U mnie to jest sterowanie lusterkami,
    podgrzewanie lusterek, sterowanie i sasilanie szyb, centralny zamek oraz
    glosniki. Pisze o tym tez z powodu zeby uwazac przy zdejmowaniu na inne
    elementy zamontowane w tapicerce. Nie zdejmuj jej od razu po odpieciu
    z drzwi, tylko sie przyjrzyj delikatnie ja odchylajac bo mozesz znalezc
    zaraz za nia w zasiegu reki kilka dodatkowych do rozlaczenia wtykow.

    Ja poszedlem przy przerobkach duzo dalej ...
    Przeczytaj sobie o tym tutaj :
    http://forum.mikrokontrolery.net/viewtopic.php?p=7250#7250
  • #18 7356734
    pawello18
    Poziom 11  
    Mam problem z elektrycznymi szybami, mianowicie jeszcze wczoraj przy dłuższym naciśnięciu szyba opuszczała się do końca, bądź zamykała. A teraz przestało to działać? Przyczyną może być to że wyjąłem akumulator i "coś" się przeprogramowało?
  • #20 7357957
    pawello18
    Poziom 11  
    Dzięki za pomoc.
  • #21 7359656
    CyberDuck
    Poziom 12  
    A zadzialalo chociaz ?
  • #22 7364147
    pawello18
    Poziom 11  
    Tak działa!

    Trzeba opuścić szybę, później zamknąć i trzymać parę sekund (tak zrobić z każdą) i wszystko pięknie działa.

    Dzięki za pomoc.
  • #23 7968872
    stawpol2
    Poziom 13  
    a ja mam inne pytanie,czy ktoś z kolegów może mi podpowiedzieć co oznacza na schemacie M 24, M34 oraz G111 do którego według tego schematu podłączone są
    przewody brązowe
  • #24 7969502
    CyberDuck
    Poziom 12  
    M34 i M24 to silniki wykonawcze.
    G111 to jest masa.
    Silniki sa zasilane poprzez przelaczniki, ktore dzialaja tak, ze zawsze
    jest mozliwosc podlaczenia tylko pracy w jedna strone i dodatkowo
    rozlaczany jest w przypadku szyby od strony pasazera przelacznik
    od strony kierowcy i odwrotnie. Ja to zrobilem na przekaznikach.
    W ten sposob bardzo uproscilem sterowanie ...
  • #25 7998493
    stawpol2
    Poziom 13  
    słuchaj "CYBERDUCK" a czy mógłbys jakoś łopatologicznie podpowiedzieć jak podłaczyć te sterowanie szybkami!!!

    Dodano po 2 [minuty]:

    ja mam tak spapraną instalke tych szyb że ciężko mi dojść do ładu
  • #26 7998503
    Błażej
    VIP Zasłużony dla elektroda
    Przecież wyżej są schematy!!! Więc w czym problem? Nawet napisano, który przewód do czego i który bezpiecznik to zasila. Przeczytałeś w ogóle watek, czy ot tak walnąłeś sobie posta?
  • #27 7998959
    stawpol2
    Poziom 13  
    przeczytałem wątek !!!!ale ja mam wersje astry zmontowaną u nas w Gliwicach i tam instalka jest inna niż w wersjach z Niemiec!!!!nawet włącznik mam inny!!!z silnika wychodzą dwa przewody czarny i czerwony,z silnika od drugich drzwi również czarny i czerwony,ale mam dodatkowo chyba ze 4 inne przewody które za diabła nie wiem do czego są!!
  • #28 8120310
    stawpol2
    Poziom 13  
    a ma któryś z kolegów schemat jak podpiąć elektrykę szyb w przypadku kiedy z silników wychodzą tylko po dwa przewody(czerwony i czerwonoczarny)

    Dodano po 2 [minuty]:

    byłem przed chwilą w moim bolidzie i rzeczywiście u mnie są tylko po dwa przewody z silników,bo według mnie te schematy które są wyżej są takie same!!!!!!!i oba dotyczą wersji z silnikami z czterema kablami pasażera!!
  • #29 8124109
    stawpol2
    Poziom 13  
    w mojej astrze z silnika zarówno u kierowcy jak i pasażera wychodzą po dwa przewody!!!!

    jak to spiąć do kupy

    Dodano po 1 [minuty]:

    te schematy które są wyżej nie maja zastosowania w moim przypadku!!!
  • #30 8173139
    stawpol2
    Poziom 13  
    zastosowałem po dwa przekazniki na stronę i wszystko śmiga jak talala

    temat zamykamy
REKLAMA